【導讀】本設計將藍牙技術運用于電腦防盜。利用了藍牙技術來檢測被保護的電腦是否在安全范圍內。當被保護的電腦被盜時,藍牙接收器檢測到電腦超出安全范圍,啟動報警器報警,從而起到電腦防盜的作用。看來防盜也得智能化了。
在日常生活中,筆記本電腦具有便于攜帶、使用方便、價格昂貴等特點。電腦被盜或者丟失不僅使個人財產遭受損失,而且會使個人信息或隱私泄露,對自己和他人造成諸多不便。分析目前市場上的電腦防盜系統,它們存在自身體積大、易受外界干擾、易被盜竊等諸多缺陷。
藍牙是一種開放的短距離無線通信技術規范,工作在全球通用的2.4GHzISM頻段。藍牙的數據速率為1Mb/s,在全球開放的2.45GHzISM頻帶上以1600跳/s的速率進行跳頻,使用2.4GHz的ISM頻段,無須申請許可證。藍牙本身具有保密性好、抗干擾能力強、功耗低、便于集成等特點,尤其是其編解碼一致。目前藍牙技術已經在全球成熟化,其具有的短距離傳輸以及模塊化對我們的設計有很大幫助。
1 系統硬件方案設計
硬件設計概述本系統硬件設計主要分為兩部分:
①藍牙信號發生部分;
②藍牙信號接收處理部分。
信號發生器由用戶攜帶,它向信號接收器發射藍牙檢測信號。信號接收部分由于自身體積較小,可以被整合到電腦內部,用來檢測電腦是否在規定范圍內,并決定是否報警。
本系統信號發生部分借助于555定時器,實現秒脈沖工作模式。讓發射部分以一秒為周期,循環發送藍牙信號,充分降低功耗。
當用戶電腦和信號發生器距離在規定范圍(本系統為10m)以內時,藍牙接收器可以接收到藍牙信號,表示電腦安全,微控制器不使能報警操作。
當用戶電腦超出規定范圍時,藍牙接收器不能接收到藍牙信號,表示電腦被盜,微控制器使能報警操作。
信號發生部分包括電源模塊、信號發生模塊、555定時器模塊。信號接收部分包括電源模塊、信號接收模塊、微控制器模塊、報警模塊。硬件原理圖如圖1所示。

圖1 硬件原理圖
2 硬件設計
2.1 555定時器模塊
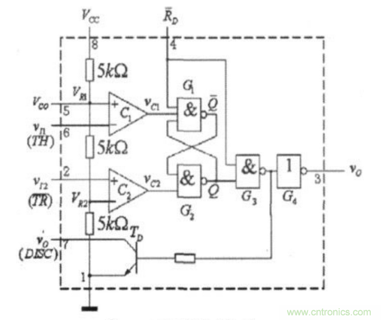
555定時器是一種模擬和數字功能相結合的中規模集成器件。555定時器的電源電壓范圍寬,可在4.5V~16V工作,性能可靠。只需要外接幾個電阻、電容,就可以實現多諧振蕩器、單穩態觸發器及施密特觸發器等脈沖產生與變換電路。其內部電路如圖2所示。

圖2 555定時器內部電路
555定時器的工作原理如下:
當輸入信號自1腳輸入并超過2VCC/3時,觸發器復位,輸出端3腳輸出低電平,同時放電,開關管導通;當輸入信號自2腳輸入并低于VCC/3時,觸發器置位,3腳輸出高電平,同時放電,開關管截止。
2.2 發射模塊電源





