【導讀】對性能、微型化和更高頻率運行的推動正在挑戰無線系統的兩個關鍵天線連接元器件的限制:功率放大器(PA) 和低噪聲放大器(LNA)。使5G 成為現實的努力,以及PA 和LNA 在VSAT 端子、微波無線電鏈路和相控陣雷達系統中的使用促成了這種轉變。
本文將介紹LNA 和PA 的作用和要求及其主要特性,然后介紹典型的GaAs 和GaN 器件以及在利用這些器件進行設計時應牢記的事項。
這些應用的要求包括較低噪聲(對于LNA)和較高能效(對于PA)以及在高達或高于10 GHz 的較高頻率下的運行。為了滿足這些日益增長的需求,LNA 和PA 制造商正在從傳統的全硅工藝轉向用于LNA 的砷化鎵(GaAs) 和用于PA 的氮化鎵(GaN)。
本文將介紹LNA 和PA 的作用和要求及其主要特性,然后介紹典型的GaAs 和GaN 器件以及在利用這些器件進行設計時應牢記的事項。
LNA 的靈敏作用
LNA 的作用是從天線獲取極其微弱的不確定信號,這些信號通常是微伏數量級的信號或者低于-100 dBm,然后將該信號放大至一個更有用的水平,通常約為0.5 到1 V(圖1)。具體來看,在50 Ω 系統中10 μV 為-87 dBm,100 μV 等于-67 dBm。
利用現代電子技術可以輕松實現這樣的增益,但LNA 在微弱的輸入信號中加入各種噪聲時,問題將遠不是那么簡單。LNA 的放大優勢會在這樣的噪聲中完全消失。

圖1: 接收路徑的低噪聲放大器(LNA) 和發送路徑的功率放大器(PA) 經由雙工器連接到天線,雙工器分開兩個信號,并防止相對強大的PA 輸出使靈敏的LNA 輸入過載。(圖片來源:Digi-Key Electronics)
注意,LNA 工作在一個充滿未知的世界中。作為收發器通道的前端,LNA 必須能捕捉并放大相關帶寬內功耗極低的低電壓信號以及天線造成的相關隨機噪聲。在信號理論中,這種情況稱作未知信號/未知噪聲難題,是所有信號處理難題中最難的部分。
LNA 的主要參數是噪聲系數(NF)、增益和線性度。噪聲來自熱源及其它噪聲源,噪聲系數的典型值為0.5 - 1.5 dB。單級放大器的典型增益在10 - 20 dB 之間。有一些設計采用在低增益、低NF 級后加一個更高增益級的級聯放大器,這種設計可能達到較高的NF,不過一旦初始信號已經“增大”,這樣做就變得不那么重要。(有關LNA、噪聲和射頻接收器的詳細內容,請參閱TechZone 中《低噪聲放大器可以最大限度地提升接收器的靈敏度》一文。)
LNA 的另一個問題是非線性度,因為合成諧波和互調失真可使接收到的信號質量惡化,在位誤差率(BER) 相當低時使得信號解調和解碼變得更加困難。通常用三階交調點(IP3) 作為線性度的特征化參數,將三階非線性項引起的非線性乘積與以線性方式放大的信號關聯在一起;IP3 值越高,放大器性能的線性度越好。
功耗和能效在LNA 中通常不屬于首要問題。就本質而言,絕大多數LNA 是功耗相當低且電流消耗在10 - 100 mA 之間的器件,它們向下一級提供電壓增益,但不會向負載輸送功率。此外,系統中僅采用一個或者兩個LNA(后者常用于Wi-Fi 和5G 等接口的多功能天線設計中),因此通過低功耗LNA 節能的意義不大。
除工作頻率和帶寬外,各種LNA 相對來講在功能上非常相似。一些LNA 還具有增益控制功能,因此能夠應對輸入信號的寬動態范圍,而不會出現過載、飽和。在基站至手機通道損耗范圍寬的移動應用中,輸入信號強度變化范圍如此之寬的情況會經常遇到,即使單連接循環也是如此。
輸入信號到LNA 的路由以及來自其輸出信號與元器件本身的規格一樣重要。因此,設計人員必須使用復雜的建模和布局工具來實現LNA 的全部潛在性能。由于布局或阻抗匹配不佳,優質元器件可能容易劣化,因此務必要使用供應商提供的史密斯圓圖(參見“史密斯圓圖: 射頻設計中依舊至關重要的一個‘古老’圖形工具”),以及支持仿真和分析軟件的可靠電路模型。
由于這些原因,幾乎所有在GHz 范圍內工作的高性能LNA 供應商均會提供評估板或經過驗證的印刷電路板布局,因為測試設置的每個方面都至關重要,包括布局、連接器、接地、旁路和電源。沒有這些資源,設計人員就需要浪費時間來評估元器件在其應用中的性能。
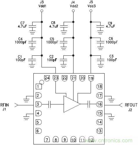
基于GaAs 的LNA 的一個代表是HMC519LC4TR。這是一種來自Analog Devices 的18 到31 GHz pHEMT(假晶高電子遷移率晶體管)器件(圖2)。這種無引線4×4 mm 陶瓷表面貼裝封裝可提供14 dB 的小信號增益,以及3.5 dB 的低噪聲系數和+ 23 dBm 的高IP3。該器件可從單個+3 V 電源提取75 mA 電流。

圖2:HMC519LC4TR GaAs LNA 為18 至31 GHz 的低電平輸入提供低噪聲增益;大多數封裝連接用于電源軌、接地或不使用。(圖片來源:Analog Devices)
從簡單的功能框圖到具有不同值和類型的多個外部電容器都需要一個設計進程,提供適當的射頻旁路,在三個電源軌饋電上具有低寄生效應,指定為Vdd(圖3)。

圖3: 在實際應用中,HMC519LC4TR LNA 在其電源軌上需要多個額定電壓相同的旁路電容器,以提供用于低頻濾波的大電容以及用于射頻旁路的較小值電容,從而最大程度地減少射頻寄生效應。(圖片來源:Analog Devices)
根據此增強原理圖生成評估板,詳細說明布局和BOM,包括非FR4 印刷電路板材料的使用(圖4(a) 和4(b))。

圖4(a)

圖4(b)
圖4: 考慮到這些LNA 前端工作的高頻率和它們必須捕獲的低電平信號,一個詳細且經測試的評估設計至關重要。其中包括一份原理圖(未顯示)、電路板布局(a) 和BOM,及無源元器件和印刷電路板材料(b) 的細節。(圖片來源:Analog Devices)
MACOM MAAL-011111 是用于更高頻率的GaAs LNA,可支持22 至38 GHz 運行(圖5)。該器件可提供19 dB 的小信號增益和2.5 dB 的噪聲系數。此LNA 表面上是一個單級器件,但其內部實際有三個級聯級。第一級針對最低噪聲和中等增益進行了優化,后續級別提供額外增益。

圖5: 對用戶來說,MAAL-011111 LNA 表面上是一個單級放大器,但其內部使用了一系列增益級,旨在最大化輸入到輸出信號路徑SNR,同時在輸出端增加顯著增益。(圖片來源:MACOM)
與Analog Devices 的LNA 類似,MAAL-011111 只需要一個低壓電源,且尺寸僅為3×3 mm,極為小巧。用戶可以通過將偏置(電源)電壓設置在3.0 和3.6 V 之間的不同值來調整和權衡某些性能規格。建議電路板布局顯示保持適當的阻抗匹配和地平面性能所需的關鍵印刷電路板銅皮尺寸(圖6)。

圖6: 建議的布局,充分利用了MACOM 的MAAL-011111,同時提供輸入和輸出阻抗匹配。注意,對于阻抗控制型傳輸線以及低阻抗地平面,使用印刷電路板銅皮(尺寸以毫米為單位)。(圖片來源:MACOM)
PA 驅動天線
與LNA 困難的信號捕獲挑戰相反,PA 則是從電路中獲取相對強的信號,具有很高的SNR,且必須用來提高信號功率。與信號有關的所有通用系數均已知,如幅值、調制、波形、占空比等。這就是信號處理圖中的已知信號/已知噪聲象限,是最容易應對的。
PA 的主要參數為相關頻率下的功率輸出,其典型增益在+10 至+30 dB 之間。能效是PA 參數中僅次于增益的又一關鍵參數,但是使用模型、調制、占空比、允許失真度以及受驅信號的其它方面會使任何能效評估變得復雜。PA 的能效在30 到80% 之間,但這在很大程度上是由多種因素決定的。線性度也是PA 的關鍵參數,與在LNA 一樣用IP3 值判定。
盡管許多PA 采用低功耗CMOS 技術(最高約1 至5 W),但在最近幾年里,其它技術業已發展成熟并被廣泛應用,在考慮將能效作為電池續航時間和散熱的關鍵指標的更高功率水平的情況下,尤其如此。在需要幾個瓦特或更高功率的情況下,采用氮化鎵(GaN) 的PA 在更高功率和頻率(典型值為1 GHz)下具有更優的能效。尤其是考慮到能效和功率耗散時,GaN PA 極具成本競爭力。
Cree/Wolfspeed CGHV14800F(1200 到1400 MHz,800 W 器件)是最新的一些基于GaN 的PA 代表。這種HEMT PA 的能效、增益和帶寬組合對脈沖L 波段雷達放大器進行了優化,使設計人員能夠在空中流量管制(ATC)、天氣、反導和目標跟蹤系統等應用中找到許多用途。使用50 V 電源,提供50% 及更高的典型能量轉換效率,并采用10 ×20 mm 陶瓷封裝,帶有用于冷卻的金屬法蘭(圖7)。

圖7:CGHV14800F 1200 至1400 MHz,800 W,GaN PA 具有金屬法蘭的10 ×20 mm 陶瓷封裝必須同時滿足困難的射頻和散熱要求。出于機械和熱完整性考慮,注意安裝法蘭時將封裝旋緊(不焊接)到印刷電路板。(圖片來源:Cree/Wolfspeed)
CGHV14800F 采用50 V 電源供電,通常提供14 dB 的功率增益,能量轉換效率> 65%。與LNA 一樣,評估電路和參考設計至關重要(圖8)。

圖8: 除了器件本身之外,為CGHV14800F PA 提供的演示電路需要的元器件非常少,但物理布局和散熱考慮很關鍵;考慮安裝完整性和熱目標,PA 通過封裝法蘭以螺釘和螺母(在底部,不可見)固定到板上。(圖片來源:Cree/Wolfspeed)
許多規格表和性能曲線中同樣重要的是功率耗散降額曲線(圖9)。該曲線顯示了可用的功率輸出額定值與外殼溫度的關系,指示最大允許功率是恒定的115°C,然后線性減小到150°C 的最大額定值。

圖9: 由于其在輸送功率方面的作用,需要PA 降額曲線向設計人員顯示允許輸出功率隨著外殼溫度的升高而降低。這里,額定功率在115?C 之后迅速下降。(圖片來源:Cree/Wolfspeed)
MACOM 還提供了基于GaN 的PA,例如NPT1007 GaN 晶體管(圖10)。其直流至1200 MHz 的頻率跨度適用于寬帶和窄帶射頻應用。該器件通常以14 到28 V 之間的單電源工作,可在900 MHz 提供18 dB 的小信號增益。該設計旨在耐受10:1 SWR(駐波比)不匹配,且不會發生器件退化。

圖10:MACOM 的NPT1007 GaN PA 跨越直流到1200 MHz 的范圍,適用于寬帶和窄帶射頻應用。設計人員通過各種負載拉伸圖獲得額外支持。(圖片來源:MACOM)
除了顯示500、900和1200 MHz 時性能基礎的圖外,NPT1007 還支持各種“負載拉伸”圖,為努力確保穩定產品(圖11)的電路和系統設計人員提供幫助。 負載拉伸測試使用成對信號源和信號分析儀(頻譜分析儀、功率計或矢量接收器)完成。
該測試要求看到被測設備(DUT) 的阻抗變化,以評估PA 的性能(包括諸如輸出功率、增益和能效等因素),因為所有相關的元器件值可能由于溫度變化或由于圍繞其標稱值的公差帶內的變化而改變。

圖11:NPT1007 PA 的負載拉伸圖超出了最小/最大/典型規格標準表,以在其負載阻抗偏離其標稱值(初始生產公差以及熱漂移會導致實際使用中出現這種情況)時顯示PA 性能。(圖片來源:MACOM)
無論使用哪種PA 工藝,器件的輸出阻抗均必須由供應商進行充分特征化,使設計人員能將該器件與天線正確匹配,實現最大的功率傳輸并盡可能保持SWR 一致。匹配電路主要由電容器和電感器構成,并且可實現為分立器件,或者制造為印刷電路板甚至產品封裝的一部分。其設計還必須維持PA 功率水平。再次重申,史密斯圓圖等工具的使用,是理解并進行必要的阻抗匹配的關鍵。
鑒于PA 較小的芯片尺寸和較高的功率水平,封裝對PA 來講是一個關鍵問題。如前所述,許多PA 通過寬的散熱封裝引線和法蘭支撐以及封裝下的散熱片散熱,作為到印刷電路板銅皮的路徑。在較高功率水平(約高于5 至10 W),PA 可以有銅帽,使散熱器可以安裝在頂部,并且可能需要風扇或其它先進的冷卻技術。
GaN PA 相關的額定功率和小尺寸意味著對熱環境建模至關重要。當然,將PA 本身保持在允許的情況或結溫范圍內是不夠的。從PA 散去的熱量不能給電路和系統其它部分帶來問題。必須考慮處理和解決整個熱路徑。
總結
從智能手機到VSAT 端子和相控陣雷達系統等基于射頻的系統正在推動LNA 和PA 性能的極限。這使得器件制造商不再局限于硅,而是探索GaAs 和GaN 以提供所需的性能。
這些新的工藝技術為設計人員提供了帶寬更寬、封裝更小、能效更高的器件。不過,設計人員需要了解LNA 和PA 運行的基礎知識,才能有效地應用這些新技術。
(來源:digitaltrends)
推薦閱讀:





