【導讀】正激:脈沖變壓器的原 / 付邊相位關系,確保在開關管導通,驅動脈沖變壓器原邊時,變壓器付邊同時對負載供電。
1. 單端正激式
單端:通過一只開關器件單向驅動脈沖變壓器 .
正激:脈沖變壓器的原 / 付邊相位關系,確保在開關管導通,驅動脈沖變壓器原邊時,變壓器付邊同時對負載供電。

該電路的最大問題是:開關管 T 交替工作于通 / 斷兩種狀態,當開關管關斷時,脈沖變壓器處于“空載”狀態,其中儲存的磁能將被積累到下一個周期,直至電感器飽和,使開關器件燒毀。圖中的 D3 與 N3 構成的磁通復位電路,提供了泄放多余磁能的渠道。
2. 單端反激式
反激式電路與正激式電路相反,脈沖變壓器的原 / 付邊相位關系,確保當開關管導通,驅動脈沖變壓器原邊時,變壓器付邊不對負載供電,即原 / 付邊交錯通斷。脈沖變壓器磁能被積累的問題容易解決,但是,由于變壓器存在漏感,將在原邊形成電壓尖峰,可能擊穿開關器件,需要設置電壓鉗位電路予以保護 D3、N3 構成的回路。從電路原理圖上看,反激式與正激式很相象,表面上只是變壓器同名端的區別,但電路的工作方式不同,D3、N3 的作用也不同。

3. 推挽(變壓器中心抽頭)式
這種電路結構的特點是:對稱性結構,脈沖變壓器原邊是兩個對稱線圈,兩只開關管接成對稱關系,輪流通斷,工作過程類似于線性放大電路中的乙類推挽功率放大器。

主要優點:高頻變壓器磁芯利用率高(與單端電路相比)、電源電壓利用率高(與后面要敘述的半橋電路相比)、輸出功率大、兩管基極均為低電平,驅動電路簡單。
主要缺點:變壓器繞組利用率低、對開關管的耐壓要求比較高(至少是電源電壓的兩倍)。
4. 全橋式
這種電路結構的特點是:由四只相同的開關管接成電橋結構驅動脈沖變壓器原邊。

圖中 T1、T4 為一對,由同一組信號驅動,同時導通 / 關端;T2、T3 為另一對,由另一組信號驅動,同時導通 / 關端。兩對開關管輪流通 / 斷,在變壓器原邊線圈中形成正 / 負交變的脈沖電流。
主要優點:與推挽結構相比,原邊繞組減少了一半,開關管耐壓降低一半。
主要缺點:使用的開關管數量多,且要求參數一致性好,驅動電路復雜,實現同步比較困難。這種電路結構通常使用在 1KW 以上超大功率開關電源電路中。
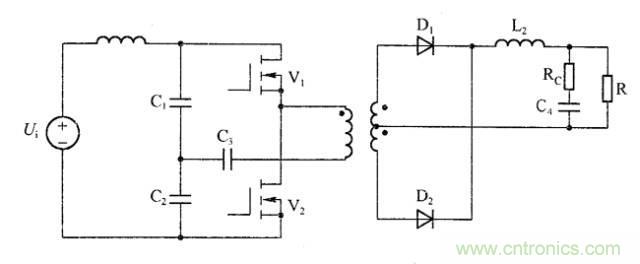
5. 半橋式
電路的結構類似于全橋式,只是把其中的兩只開關管(T3、T4)換成了兩只等值大電容 C1、C2。

主要優點:
具有一定的抗不平衡能力,對電路對稱性要求不很嚴格;
適應的功率范圍較大,從幾十瓦到千瓦都可以;
開關管耐壓要求較低;
電路成本比全橋電路低等。
免責聲明:本文為轉載文章,轉載此文目的在于傳遞更多信息,版權歸原作者所有。本文所用視頻、圖片、文字如涉及作品版權問題,請電話或者郵箱聯系小編進行侵刪。






