【導讀】CAN FD等接口使用被稱為差分傳輸的傳輸方式。差分傳輸通過兩條信號線之間的電位差傳輸信號,因此具有不易受外部輻射噪聲影響的特點。
1. CAN FD是什么
CAN FD是連接汽車內的ECU或電腦并進行通訊的車內局域網之一。
CAN FD能夠以比以往的CAN標準更快的速度進行通訊。
2. 噪聲問題

CAN FD具有比以往的CAN更高的比特率,這也增加了CAN通訊時產生的發射噪聲問題。
CAN FD等接口使用被稱為差分傳輸的傳輸方式。差分傳輸通過兩條信號線之間的電位差傳輸信號,因此具有不易受外部輻射噪聲影響的特點。

此外,兩條信號線上因信號而產生的電波還會相互抵消,因此難以作為噪聲向外發射。

然而,由于各種因素,電路板上會產生共模電流。如果共模電流流入差分傳輸線的電纜,電纜就會輻射共模噪聲。

3. 噪聲問題的對策
共模扼流圈適合用來解決共模噪聲問題。
共模扼流圈是通過磁力將兩條信號線耦合的線圈,能夠在不影響差分信號等差模信號的前提下,僅消除共模噪聲。

反相(差模)信號的磁場被消除 → 穿透
同相(共模)噪聲的磁場重疊 → 反射
原則上,共模扼流圈具有消除共模噪聲的功能,但如果兩條信號線的線圈均衡被打破,就會發生模式轉換,部分差模信號被轉換為共模信號,從而產生噪聲。

因此,使用模式轉換較少的、能夠保持均衡的共模扼流圈是非常重要的。
村田推薦
建議用于CAN FD的共模扼流圈

DLW32SH101XF2
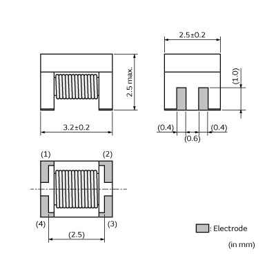
村田推薦的用于CAN FD的共模扼流圈DLW32SH101XF2,元件尺寸為3.2×2.5mm,共模電感 : 100μH-30%/+50%(at 0.1MHz)。
元件尺寸

阻抗-頻率特性

請前往產品頁面,了解更多規格參數說明,并可申請樣品和查詢經銷商庫存。
4. 降噪措施的效果
確認共模扼流圈的降噪效果
為了評估共模扼流圈的降噪效果,我們使用信號發生器驅動CAN FD收發器,并通過頻譜分析儀觀察了CAN-H和CAN-L線上的共模噪聲。我們插入三種不同的共模扼流圈,并分別確認了各線圈的效果。

通過結果可知,噪聲級別會隨著信號發生器比特率的增加而增加。
此外,我們還發現,在三種共模扼流圈中,DLW32SH101XF2的降噪效果相對較高。DLW32SH101XF2在各比特率下皆能有效地抑制噪聲。

確認傳導發射對策的效果
之后,我們通過傳導發射測量(150Ω方法)確認了DLW32SH101XF2的降噪效果。該測量符合IEC 62228-2:2019規定的“射頻干擾的發射”條件。

通過使用DLW32SH101XF2,我們成功地達到了傳導發射中限值要求非常嚴格的Class III標準。

確認抗擾度對策的效果
接著,為了確認抗擾度對策的效果,我們進行了抗擾度實驗之一的DPI(直接功率注入)實驗。

該測量符合IEC 62228-3:2019規定的“對射頻干擾的抗擾度”條件。

在DPI測試中,通過使用DLW32SH101XF2也能滿足限值要求非常嚴格的Class III標準。
5. 總結
●在CAN FD中,共模噪聲是容易經常出現的問題
●共模扼流圈可以有效地消除共模噪聲
●為防止因模式轉換而產生共模噪聲,共模扼流圈的模式轉換特性也非常重要
●村田推薦的共模扼流圈DLW32SH101XF2在傳導發射和DPI對策方面皆有效
(來源:Murata村田中國)
免責聲明:本文為轉載文章,轉載此文目的在于傳遞更多信息,版權歸原作者所有。本文所用視頻、圖片、文字如涉及作品版權問題,請聯系小編進行處理。
推薦閱讀:





