【導讀】盡管有關電動交通的大部分討論一直圍繞于無人駕駛汽車及其在擁堵道路上安全導航的能力,但開發和部署緊湊、高效的充電基礎設施是此類汽車達到較高普及率的一項重要前提。
盡管有關電動交通的大部分討論一直圍繞于無人駕駛汽車及其在擁堵道路上安全導航的能力,但開發和部署緊湊、高效的充電基礎設施是此類汽車達到較高普及率的一項重要前提。
在未來,對電動汽車充電樁存在需求的將不僅包括大都會及周邊公路,還包括居民區。充電樁的相關計費系統也需要達到一定的復雜程度和安全水平——必須能夠對每輛電動汽車進行正確的識別,才能對各種用電情況進行正確的計費。
另外一個重要方面是充電連接裝置的標準化。目前,一些組織(例如,CharIN)不僅致力于對連接裝置,還致力于對電動汽車與充電樁通信時遵循的通信協議實施標準化。
由于電網運營商必須設法應對峰值需求,而要實現電動汽車的全面部署,需要有大量電力對電動汽車進行充電。因此,負荷平衡將是一大挑戰。然而,解決方案就隱藏于問題本身。在電力需求峰值期間,可將一些電池已充滿但僅用于短途行駛的電動汽車的多余電能饋入電網中(前提是保留下班回家所需的足夠電能)。
在汽車革命一開始,公路上的電動汽車的數量多于內燃機汽車。然而,隨著電子起動器的發明,內燃機驅動型汽車成為主流,電動汽車則逐漸消失。1972年的石油危機,以及20世紀90年代出現的加州零排放法規等事件,重新點燃了人們對電動汽車的興趣,但歷史表明,電動汽車一直未能進入大眾市場。
近年來,在出現新電池技術、全球對環境問題高度關注,以及客戶需要替代化石燃料的清潔能源的背景下,電動交通技術再次成為一項具有可行性的技術。
目前,電動汽車(EV)在每次充電后一般能行駛數百千米的里程,因此,讓電動汽車行駛一整天,是具有現實可能性的。盡管如此,人們對使用電動汽車進行長途行駛的相關里程問題的擔憂,仍然是阻礙客戶采用新技術的一個障礙。同樣,那些沒有專用充電設施或者甚至無法確保有持續電力供應的潛在客戶,仍然希望能確保在可接受的時間段內對電動汽車進行充電。
目前,公共區域中安裝的充電樁的輸出功率一般在50千瓦以內。雖然功率已相當大,但假設電動汽車每100千米的耗電量為25千瓦時,則要讓電動汽車再行駛100千米,需要充電半小時。同樣,將100千瓦時的電池充滿,需要充電兩個多小時,而許多用戶認為此充電時間太長。
對于高速公路上的充電樁,人們希望它們能在幾分鐘而非幾小時內完成充電。人們對能夠增加充電里程的大功率電池,以及對縮短充電耗時的需求,催生了功率高達350千瓦的新一代充電樁。
除了能夠實現對電動汽車進行快速充電之外,這些新設計還將促進目前正在進行的電動公交與電動貨車充電技術的研發。電動公交與電動貨車的電池容量預期需要達到250-400千瓦時左右,才能在每次充電后確保汽車行駛合理的里程,而理想的充電耗時不超過一小時。
高功率充電樁的設計包含多項挑戰,尤其是充電系統的效率(因為可供額外冷卻的空間有限)。要達到350千瓦的輸出功率和97%的效率,會產生約10千瓦的損耗,這使得熱管理成為一項挑戰。當電流高達500A時,功率路徑中的每個半導體都會造成系統損耗。對于IGBT等雙極器件,其正向電壓決定了靜態損耗,而MOSFET等單極器件的損耗則主要由通道電阻決定。
考慮到電流較大,不同器件通常并聯使用,以提高其容量。IGBT無法顯著提高效率,但與MOSFET并聯運行時,可減小通道電阻,從而提高效率。因此,碳化硅(SiC)MOSFET是此應用的理想選擇。
設計一種基于子單元(各子單元功率在15到30千瓦之間)并聯的模塊化充電樁結構,是確保充電樁可根據市場需求和技術趨勢進行升級的關鍵。未來的設計目標將是,在不增大尺寸的前提下,將子單元功率提高到60千瓦左右,從而將目前的功率密度提高到兩倍以上。
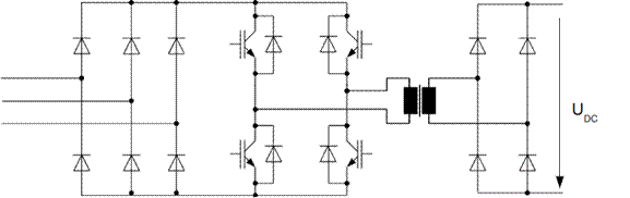
常見的充電樁設計由一個輸入級(包含線路濾波器)和PFC級、一條直流鏈路,以及一個基于變壓器的直流-直流轉換器(電隔離)組成,類似于圖1所示。

圖1:直流充電樁供電段最基本的結構框圖
這種基本設計存在若干缺陷——例如,由于設計中缺少對直流電壓的控制,因此,方波電流會對電網造成干擾。然而,在這種簡單的設計中,組件數量有限,因而成本較低。圖2顯示了一種更高級的、被普遍采用的解決方案。

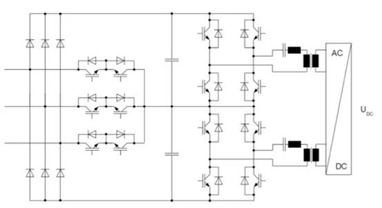
圖2:直流充電供電級(包括Vienna整流器和串聯LLC)
在此拓撲中,輸入端的Vienna整流器引入正弦柵極電流,并控制升壓模式的直流鏈路電壓。此外,可選擇閉鎖電壓較低的關鍵半導體,也就是用650 V器件替換簡單設計結構中的1200 V器件,從而提高效率。將硬開關設計更改為使用諧振直流-直流轉換器作為輸出級,可進一步減小損耗。
當然,效率的提升是有代價的。安裝的半導體的數量越多,柵極驅動器的設計就越復雜,隔離電源的數量就越多——這一點仍然是此設計的一個缺陷,需要予以考慮。此外,控制算法也有些復雜,導致設計難度提高。
近年來出現了基于寬帶隙材料的高壓MOSFET,讓我們可在不犧牲效率的前提下降低充電樁結構的復雜性。圖3顯示了一種使用單個構件與半橋拓撲的充電樁:

圖3:在半橋拓撲中將碳化硅MOSFET用作構件的供電段
圖3中的藍色陰影方框代表英飛凌的FF11MR12W1M1_B11——一種Easy1B功率模塊,包含1200 V碳化硅MOSFET并采用半橋配置,通道電阻(25°C)低至11毫歐。當無需采用電流隔離時,半橋可以降壓-升壓模式運行。不同模塊交錯并聯,以便應對更高的功率水平。
將MOSFET用作有源前端,使得此設計結構可作為PFC級運行,并在本質上實現向電網回饋電能的能力。此方案兼具組件數量少、效率最高的優點,同時盡可能地降低了系統復雜程度。此外,在此方案中,我們可選擇將充電樁整合到“汽車到電網”(V2G)應用中,或者,整合到“汽車到住宅”(V2H)應用中。
由于在基于MOSFET的設計結構中,開關頻率較高,因此,輸入濾波器組件的尺寸可縮減,使得設計更緊湊。同步整流等技術可減少損耗,從而減少熱管理任務。
隨著電動汽車充電市場的發展,預期未來將有許多來自不同背景的新參與者進入該市場,并且這些新參與者都將需要獲得不同水平和類型的支持。作為英飛凌的首選經銷合作伙伴,并且憑借自身以市場為導向的組織結構、高度專業的技術支持,以及派駐現場的應用工程師,EBV已具備相當實力,為滿足各類客戶的需求提供支持。
(來源:中電網,作者:Martin Schulz;Karl Lehnhoff)
免責聲明:本文為轉載文章,轉載此文目的在于傳遞更多信息,版權歸原作者所有。本文所用視頻、圖片、文字如涉及作品版權問題,請聯系小編進行處理。
推薦閱讀:




