【導讀】運用LAYOUT技巧改善性能,可提升產品性價比,把握關鍵物料選型可降低產品故障率,縮短產品開發周期,加快產品上線。
接上一篇:關于 LAYOUT通用原則在LLC系列方案中提升穩定性的應用做分享,本篇對LAYOUT中ESD的對策及瑞森LLC系列方案做設計時,關鍵物料選型事項繼續做分享。

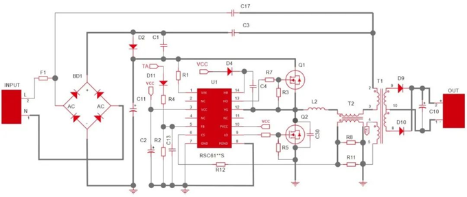
一、PCB LAYOUT中ESD的對策
(一)PCB LAYOUT的關鍵中的重點:功率回路經過正確的路徑回流。
(二)在不同電位的兩個銅箔之間,尤其是高壓側與低壓側的間距需要大于或等于P,如下公式:P 〉0.015*(VA-VB)。
其中P:ESD安全放電間距(mm);(VA-VB):兩點間電壓(V)。(如圖位置一)
(三)在共模電感兩端或安規電容兩端加ESD放電銅箔,采用雙放電銅箔可以有效提升放電效果,如果長期持續ESD放電則會導致銅箔鈍化,則建議采用放電管放電。尖端銅箔設計:尖端銅箔必須是銳角(重點),尖尖相對。(如圖位置二)
(四)PCB LAYOUT 銅箔走線采用圓弧狀倒角可減少EMC干擾與異常尖端放電。(如圖位置三)

二、RSC6105S-RSC6120S系列關鍵物料選型注意事項

典型應用線路圖
(一)針對瑞森半導體-單級PPFC實現高PF的性能,BD1整流橋的(四個二極管)參與了功率因數校正,四個二極管的須選用具有快恢復特性的二極管,Trr應小于250nS,Trr越小PF值越高,THD相對越小,需要兼顧輻射的結果,類型推薦HER 、FR、US、ES等系列。
(二)電荷泵二極管D1,須選用超快恢復二極管,如Trr小于75ns,類型推薦US、ES等系列。
(三)自舉二極管D4,須選用快恢復二極管,配合RSC6105S-RSC6107S時,選用Trr小于250ns,類型推薦HER、FR、US、ES等系列;另外配合RSC6112S-RSC6120S 時,選用Trr小于100ns的超快二極管,類型推薦US、 ES系列。
(四)對于功率大于60W的產品,電荷泵電容C1,諧振電容C3,需要采用MMKP82系列具有高頻特性優異的電容,可有效降低電容發熱。
(五)互感電感T2,該電感磁芯不需要研磨氣間隙,匝數控制在6圈即可。互感電感作為一個重要元器件,通過其采樣主回路電流波形幅度以及頻率,經過負載電阻R8、R11R12后,可轉換為電壓信號輸入到芯片內部壓控振蕩器,以此來調節輸出開關頻率,調制增益,實現恒流調節。
(六)主變壓器T1,有兩種模式存在:①當諧振電感采用獨立的電感時,主變壓器磁芯則不需要研磨氣間隙,但磁芯材質需要PC44等級或以上。②變壓器采用分槽式結構,主變壓器與諧振電感集成在一體時,有副磁芯的變壓器結構,副磁芯需要調整氣間隙,沒有副磁芯的分槽式結構,是通過調整間距實現漏感做電感,磁芯也不需要氣間隙。
三、瑞森半導體無頻閃驅動IC產品推薦
運用LAYOUT技巧改善性能,可提升產品性價比,把握關鍵物料選型可降低產品故障率,縮短產品開發周期,加快產品上線;下圖為大家推薦瑞森高PF無頻閃LLC方案系列產品:

免責聲明:本文為轉載文章,轉載此文目的在于傳遞更多信息,版權歸原作者所有。本文所用視頻、圖片、文字如涉及作品版權問題,請聯系小編進行處理。
推薦閱讀:




