【導讀】本應用說明解決了電力公司廣泛使用的變壓器和其他電源效率質量低下的原因。接下來是建議的離線 PFC-PWM 組合控制器架構,該架構可以極大地幫助緩解功率轉換器內電流線路中高諧波含量的困境。此外,還評估了該設計架構,以了解其對系統整體效率的影響。
本應用說明解決了電力公司廣泛使用的變壓器和其他電源效率質量低下的原因。接下來是建議的離線 PFC-PWM 組合控制器架構,該架構可以極大地幫助緩解功率轉換器內電流線路中高諧波含量的困境。此外,還評估了該設計架構,以了解其對系統整體效率的影響。
簡介
本應用說明解決了電力公司廣泛使用的變壓器和其他電源效率質量低下的原因。接下來是建議的離線 PFC-PWM 組合控制器架構,該架構可以極大地幫助緩解功率轉換器內電流線路中高諧波含量的困境。此外,還評估了該設計架構,以了解其對系統整體效率的影響。
公用事業公司不希望出現的現象之一是線路電流的高諧波含量。該線路電流的諧波含量往往會導致變電站變壓器過熱,變電站負責向給定區域的所有部門提供電力。對于三相配電,中性電流將在存在這些諧波的情況下流動。對于單相配電,開關電源轉換器中的電容輸入濾波器所需的窄導通角會導致電流波形中諧波含量較高,從而導致運行效率較低。
該問題的一個可行解決方案是采用功率因數校正 (PFC) 級,以促進更有效的電源使用并降低線路電流的諧波含量。用于此任務的的拓撲是開關模式升壓轉換器。這里,升壓轉換器級插入在輸入整流器和大容量存儲電容器之間。這迫使輸入電流與輸入電壓同相,并為后續功率級提供升壓直流電壓儲存器。
級聯功率轉換器
在的高頻開關模式功率轉換器的設計中,功率級的級聯連接是一種非常有效且強大的工具。近年來,功率因數校正電源轉換器迅速普及。與傳統的離線開關電源轉換器相比,它們提供了更高的性能。然而,必須考慮特殊的系統穩定性。
當降壓開關關閉時,傳統的后沿調制會導致瞬時空載狀態。這種情況使得環路補償變得困難,因為升壓電感器在連續傳導電流模式下工作,導致靠近 RHPZ(右半平面零)的 2 個極點已經起作用。ML4824 中采用的同步開關技術將這些極點的頻率推得更遠,從而允許將單位增益交叉置于高達線路頻率的二分之一處。

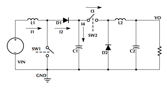
例如,考慮如圖 1 所示的單功率級升壓轉換器。該級的負載連接到輸出濾波器,其值會影響轉換器的環路響應。當負載減小時,電感器和電容器的極點變得更近,并且相位裕度減小。

在級聯功率級中,負載可以瞬時連接或斷開。(參見圖 2 的升壓-降壓級聯級。)許多系統試圖通過加快第二級的環路響應來縮短無負載周期,因此必須使用第二個(通常更快)時鐘,從而導致更多的時間。復雜的系統。
免責聲明:本文為轉載文章,轉載此文目的在于傳遞更多信息,版權歸原作者所有。本文所用視頻、圖片、文字如涉及作品版權問題,請聯系小編進行處理。
推薦閱讀:




