【導讀】步進電機驅動器是一種用于控制步進電機運動的裝置,它是將控制信號轉換成步進電機可以識別的控制電壓或電流的電路。它在工業自動化領域有著廣泛的應用,如機器人、印刷機、木工機床、噴繪機等。
一、前言
步進電機驅動器是一種用于控制步進電機運動的裝置,它是將控制信號轉換成步進電機可以識別的控制電壓或電流的電路。它在工業自動化領域有著廣泛的應用,如機器人、印刷機、木工機床、噴繪機等。步進電機驅動器的組成結構主要由以下部分:
1、步進電機是一種驅動裝置,它可以將電能轉換成精確的位移,是控制機械裝置精確運動的重要元件。
2、步進電機驅動器的驅動電路是控制步進電機的重要部分,其主要由換流器、放大器、比較器、驅動電路等組成。
3、控制電路將外部的控制信號轉換成步進電機可以識別的控制電壓或電流,從而實現步進電機的控制。
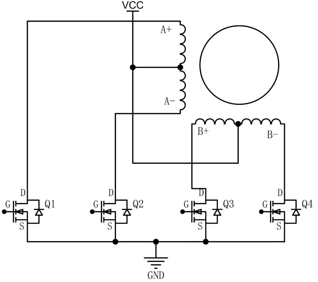
二、典型應用拓撲圖
步進電機驅動電路使用N溝道功率MOS組成上下對管,常見的為2-4對MOS管,控制器通過接受步進電機的反饋,選擇適當的開啟時序,控制MOS的通斷,完成換相,定位,調速等執行動作。
三、典型應用及選型推薦
針對步進電機驅動電路推薦使用瑞森半導體低壓MOS-Trench系列,其優勢:
n Trench工藝,更小的Ronsp,串并聯隨意搭配。
n 低導通電阻,結電容適中,高效率,高可靠性。
免責聲明:本文為轉載文章,轉載此文目的在于傳遞更多信息,版權歸原作者所有。本文所用視頻、圖片、文字如涉及作品版權問題,請聯系小編進行處理。
推薦閱讀:
Wolfspeed 功率模塊如何變革三相工業低電壓電機驅動器



