中心議題:
- 太陽能工程熱水器控制器的設計與實現
解決方案:
- 以AVR Meg a 32 單片機為檢測控制核心
隨著人們生活水平的提高, 各種熱水器的使用已相當普及, 與之相配套的控制儀也相繼問世。然而, 目前市場上的各種熱水器控制電路還與理想要求相差甚遠。消費者需要真正的全自動控制, 以實現使用的最簡單化, 就像家用電視機、電冰箱一樣, 接通電源、設定完畢就不用再操心了。鑒于國內太陽能熱水器市場不斷擴大, 而與其相配套的控制器卻急需改進的情況, 研制了這套太陽能熱水器控制器。本文設計的太陽能熱水器是以AVR Meg a 32 單片機為檢測控制核心,不僅實現了溫度、水位兩種參數的實時顯示功能, 而且具有溫度設定與控制功能。控制器可以根據天氣情況利用輔助加熱裝置使蓄水箱內的水溫達到預先設定的溫度, 從而達到24 小時供應熱水的目的。實際應用結果表明, 該控制器和以往的顯示儀相比具有性價比高、溫度控制與顯示精度高、使用方便和性能穩定等優點,提高了我國太陽能應用領域控制水平, 具有可觀的經濟效益和社會效益。
設計目標與實現方案描述
1. 1 系統原理圖
系統原理圖如圖1 所示。其中:W 為水位傳感器( 壓力式) , 包含T2 ; T1 為集熱器頂部溫度傳感器; T2 為水箱溫度傳感器, 與水位W一體; T3 為防凍循環溫度傳感器( 安裝于集熱循環管路最低溫度點) ; T4 為用水管道溫度傳感器( 安裝于用水循環管路最低溫度點) ; T5 為管道電伴熱溫控傳感器( 一般安裝于自來水上水管道, 位置可根據實際情況而定) ; P1 為集熱管路循環泵, 亦作為防凍循環泵; P2 為用水管路循環泵( 亦可用電磁閥+ 自動增壓泵形式);E1 為上水電磁閥( 自來水直接進水箱補水) ;E2 為頂水電磁閥( 自來水進集熱器, 頂水入水箱) ; EH1為電加熱器; EH2 為電伴熱帶( 選用) 。
系統原理圖

圖1 系統原理圖
1. 2 主要功能及說明
在太陽能熱水工程控制系統中, 需實現:LED 顯示, 溫差循環, 定溫出水, 定溫上水, 自動上水, 定時上水, 低水位上水, 自動加熱, 定時加熱, 電加熱防干燒, 防凍電加熱, 防凍循環, 定時間段定溫管路循環, 高溫保護, 警戒水位保護, 防炸管, 斷電參數與運行狀態記憶,出廠參數復位, 故障及相關報警提示, 安全防護, 管道防凍電伴熱, 用水管道防凍, 水燈顯示方式, 鍵盤鎖, 緊急斷電, 開機自檢等眾多功能。可以將這些功能分為以下6 類:鍵盤輸入、A / D 轉換、實時時鐘、數據顯示、E2PROM的使用和故障報警。該系統利用低功耗高性能的RISC 單片機AVR 作為控制電路的核心, AVR 微處理器是Atmel 公司的8 位嵌入式RISC 處理器, 具有高性能、高保密性、低功耗等優點。程序存儲器和數據存儲器為可獨立訪問的哈佛結構, 代碼執行效率高。系統采用的AVR Meg a 32 處理器包含有32 KB 片內可編程FLA SH 程序存儲器; 1 KB 的E2PROM 和2 KB的RAM; 同時片內集成了看門狗; 8 路10 位ADC; 3 路可編程PWM 輸出; 具有在線系統編程功能, 片內資源豐富, 集成度高, 使用方便。AVR Mega 32 可以很方便地實現外部輸入參數的設置, A / D 轉換, E2PROM 的數據存儲, 工作狀態的指示等。
[page]
1. 2. 1 鍵盤輸入
鍵盤輸入部分可用4*4 按鍵組成0~ 9 數字鍵及確認鍵, 8 位數碼管組成顯示電路提示信息。單片機應用系統中, 鍵盤掃描只是單片機的工作內容之一。單片機在忙于各項工作任務時, 如何兼顧鍵盤的輸入, 取決于鍵盤的工作方式, 而鍵盤的工作方式取決于CPU 的忙、閑情況而定。其原則為既要保證能及時響應按鍵操作, 又不要浪費過多的CPU 工作時間。通常, 鍵盤的工作方式有3 種, 即編程掃描, 定時掃描和中斷掃描。
為進一步提高掃描鍵盤的工作效率, 可以采用中斷掃描方式, 只有在鍵盤有按鍵按下時, 才執行鍵盤掃描并執行按鍵功能程序。而鍵盤的識別方法又可以分為3 種:
掃描法, 線反轉法和編碼法。對于按鍵較少的獨立式鍵盤可采用編碼法, 如4 * 4 的鍵盤, 鍵盤可以編碼為:
01H, 02H, ……, 0FH, 10H 共16 個。
1. 2. 2 A/ D 轉換
關于溫差循環, 定溫出水, 定溫上水, 自動上水, 低水位上水, 自動加熱, 電加熱防干燒, 防凍電加熱, 防凍循環, 高溫保護, 警戒水位保護, 防炸管, 安全防護, 管道防凍電伴熱, 用水管道防凍等大多數功能就是對系統多處進行水溫水位檢測, 也就是將傳感器的模擬量通過AVR Mega 32 自帶的8 路10 位ADC 進行A/ D 轉換。
檢測水溫現多采用PT100 傳感器, 電路圖如圖2所示。
Pt100 電路圖

圖2 Pt100 電路圖
R2 , R 3 , R4 和Pt100 組成傳感器測量電橋, 為了保證電橋輸出電壓信號的穩定性, 電橋的輸入電壓通過TL431 穩至2. 5 V。從電橋獲取的差分信號通過兩級運放放大后輸入單片機。電橋的一個橋臂采用可調電阻R3 , 通過調節R3 可以調整輸入到運放的差分電壓信號大小, 通常用于調整零點。放大電路采用LM358集成運算放大器, 為了防止單級放大倍數過高帶來的非線性誤差, 放大電路采用兩級放大, 如圖3 所示, 前一級放大倍數約為10 倍, 后一級約為3 倍。溫度在0 ~100 # 變化, 當溫度上升時, Pt100 阻值變大, 輸入放大電路的差分信號變大, 放大電路的輸出電壓AV 對應升高。
一般在使用Pt100 的溫度采集方案中, 都會對放大器LM358 采集來的模擬信號AV 進行溫度采樣, 即進行A/ D 轉換。
在對數值進行濾波操作之后, 還要將A/ D 值轉換為溫度, 只需要確定比例系數K 和基準偏差B 即可。
溫度轉換的C 語言實現過程為:
temper ature= ( adc_data* K) - B; / / 換算成溫度值
1. 2. 3 實時時鐘
采用DALLAS 公司推出的涓流式充電時鐘芯片,它內部集成了實時時鐘/ 日歷和31 B 靜態RAM, 可以通過串行接口與單片機進行通信。實時時鐘、日歷電路電路提供秒、分、時、星期、月、年的信息, 每個月的天數和閏年天數可自動調整, 時鐘操作可通過AM/ PM 標志位決定采用24 小時或12 小時時間格式。DS1302 與單片機之間能簡單地采用同步串行的方式通信, 僅需3 根線:復位( RST ) 、I/ O 數據線、串行時鐘( SCLK) 。
[page]
DS1302 工作功耗很低, 保持數據和時鐘信息時, 功耗小于1 mW。利用它很容易實現自動上水、自動加熱的控制和時間顯示。假設這里單片機設置報警為凌晨3 點整, 啟動電加熱, 當CPU 讀出DS1302 時間為3 點即可使對應的I/ O 管腳輸出高電平, 打開繼電器啟動加熱器, 定時上水功能同理。同時在不顯示溫度和水位時,它還可作為精確的電子鐘進行時間顯示。
1. 2. 4 數據顯示
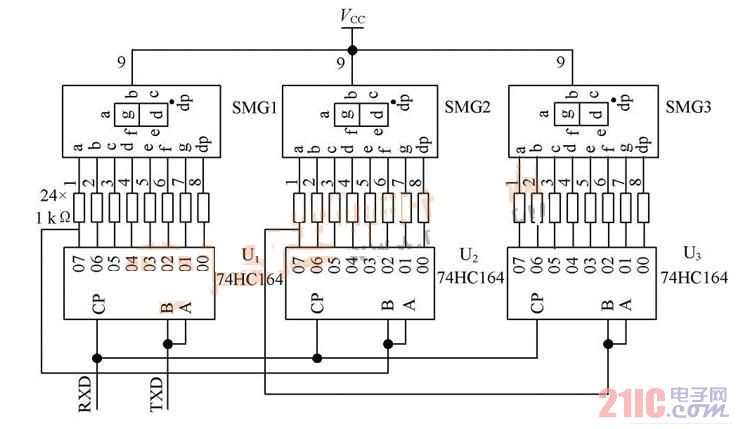
該系統采用靜態顯示的方式, 用3 個數碼管交替顯示水溫、時間、報警的信息, 在按鍵時, 也將用數碼管顯示。水位級別顯示則用LED 顯示。顯示電路由3 個移位寄存器74H C164 和3 個數碼組成。每個數碼管接有8 個1 k 電阻, 保護數碼管, 防止電流過大燒壞數碼管。具體的電路如圖3 所示。
數碼管靜態顯示

圖3 數碼管靜態顯示
1. 2. 5 其他部分
本系統除復位鍵、手動上水和手動加熱允許鍵外,其余的按鍵為選擇設定項目( 溫度顯示或定時顯示) , 每按一下choose 鍵, 設定功能變換1 次。按1 次 + 鍵,設定值對應加1。按1 次 - 鍵, 設定值對應減1。為了防止設定的參數在掉電后丟失, 利用了E2PROM 存儲各設定參數。
本文設計的太陽能工程熱水器控制器, 硬件設計簡單, 功能強大。經試驗證明系統穩定, 操作方便, 值得推廣。本文給出的電路是一種最基本最簡單的電路, 其目的是給出一種單片機的控制模式, 亦可以根據用戶需求, 添加更多附加功能。


