【導讀】LED驅動一直都是LED領域最熱門的話題,為滿足國際法規,在允許的尺寸范圍內。改變燈具中的驅動器,使之簡化設計,提供強大的保護功能和可靠性。本文就簡單介紹了具有高功率因數和超寬輸出電壓的LED驅動器。
1. 初級端調節控制器及其運行模式
LED 驅動器的初級端調節 (PSR) 解決方案使得固態照明 (SSL) 產品符合國際法規(比如 Energy Star)。PSR 僅僅根據電源初級端的信息,精確控制輸出電流,不僅消除了輸出電流感測損耗,而且無需次級反饋電路。因此,允許在小尺寸改型燈具中使用驅動器電路以及滿足國際法規,而不會過多增加 SSL 應用的成本。Fairchild 的 FL7733 脈寬調制 (PWM) PSR 控制器有助于簡化設計從而滿足 SSL 要求,同時無需使用外部元件。FL7733 提供高精度輸出電流調節,以應對變壓器磁化電感、輸入和輸出電壓信息的改變,并提供強大的保護功能實現系統可靠性。

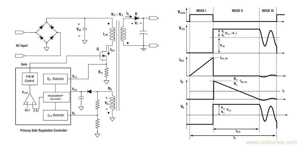
圖 1. 初級端調節反激式轉換器和關鍵波形
模式 I
在 MOSFET 導通期間 (tON),輸入電壓 (VIN) 施加在變壓器的初級端電感 (Lm) 上。然后,MOSFET 的漏電流 (IDS) 從零線性增加至峰值 (IDS.PK),如圖 1所示。在此期間,電能從輸入獲取并存儲在電感中。
模式 II
MOSFET (Q) 關斷時,變壓器中存儲的電能迫使整流二極管 (D) 導通。當二極管導通時,輸出電壓 (VOUT) 和二極管正向壓降 (VF)施加到變壓器次級端電感,二極管電流 (ID) 從峰值 (IDS.PK·NP/NS) 線性減小至零。在電感電流放電時間 (tDIS) 結束時,變壓器中存儲的所有能量都被傳輸至輸出。
模式 III
當二極管電流達到零時,變壓器輔助繞組電壓開始因初級端電感 (Lm)與 MOSFET (Q) 上加載的有效電容之間的諧振而振蕩。
輸出電流可以通過峰值漏電流和電感電流放電時間估計,因為輸出電流與穩態下的二極管電流平均值相同。漏電流峰值由 CS 峰值電壓檢測器確定,而電感電流放電時間由 tDIS檢測器檢測。根據峰值漏電流、電感電流放電時間和工作開關周期信息,創新型 TRUECURRENT 計算模塊可估算輸出電流如下:

圖 2. DCM 控制
應該保證 DCM,以實現反激式拓撲中的高功率因數。為了在較寬的輸出電壓范圍內維持 DCM,在線性頻率控制中由輸出電壓線性調節開關頻率。輸出電壓由輔助繞組和連接至 VS 引腳的電阻分壓器檢測,如圖 2所示。當輸出電壓降低時,次級二極管導通時間增加,DCM 控制會延長開關周期,從而在較寬的輸出電壓范圍內保持 DCM 運行。
[page]
2. 具有較寬輸出電壓范圍的 LED 驅動器
2.2. 系統設計
本小節介紹基于FL7733的單級反激式 LED 驅動器的設計步驟。選擇了50 W 離線 LED 驅動器作為設計示例。設計指標如下:
● 輸入電壓范圍: 90 ~ 277 VAC、 50 ~ 60 Hz
● 標稱輸出電壓和電流: 50 V/1.0 A
● 工作輸出電壓: 12 V ~ 50 V
● 最低頻率: 88%
● 工作開關頻率: 65 kHz
● 最大占空比: 40%
初級匝數由法拉第定律確定。Np,min是由初級繞組兩端的最小線路輸入電壓峰值和最大導通時間固定??杀苊獯判撅柡偷淖儔浩鞒跫壎俗钚≡褦悼捎上率浇o出:

由于飽和通量密度隨著溫度的升高而減小,如果變壓器用于封閉外殼內,應考慮高溫特性。

圖 3. 實現較寬輸出電壓范圍的 VS 電路
選擇 R1 和 R2的第一個考慮因素是將 VS設置為 2.7 V,以確保額定輸出功率下能夠以高頻率運行。第二個考慮因素是 VS 消隱。輸出電壓由輔助繞組和連接到 VS 引腳的電阻分壓器檢測。然而,在不包含 DC 母線電容器的單級反激式轉換器中,在低線路電壓下由于較小的 Lm 電流會引起 VS 電壓檢測錯誤,輔助繞組電壓無法箝位至反射的輸出電壓。
在線路電壓過零點,頻率快速下降,可能導致 LED 燈閃爍。為了在整個正弦線路電壓范圍內維持恒定頻率,VS 消隱會通過檢測輔助繞組在低于特定線路電壓 VIN.bnk時禁用 VS 采樣。第三個考慮因素是 VS 電平,應該介于 0.6 V 與 3 V 之間,以避免在寬輸出應用中觸發 SLP 和 VS OVP。
[page]
由于 FL7733 的 VDD工作范圍是 8.75 ~ 23 V,如果輸出電壓低于 VOUT-UVLO (8.75×NS /NA),應該通過觸發 UVLO 關斷 MOSFET開關。因此,應該在較寬的輸出電壓范圍內12 ~ 50不觸發 UVLO,從而提供合理的 VDD。通過添加外部繞組 NE和包含電壓調節器的 VDD電路,可以提供VDD。NE的設計應該確保以最低輸出電壓 (Vmin.OUT) 提供 VDD時,不會觸發 UVLO。外部繞組 NE可通過下式確定:

2.2. 設計測試結果
為了展示本應用指南中所介紹設計步驟的有效性,構建并測試了設計示例中介紹的轉換器。圖 4顯示在整個線路和輸出電壓范圍內測得的 CC 容差。額定輸出電壓下通用線路上的 CC 低于 ±0.26 % 而整個線路和輸出電壓范圍 (12 V ~ 51 V) 內的總 CC 調節是 ±1.23%。圖 5和圖 6 顯示分別在各種負載條件下測得的 PF和 THD 性能。

圖 4. 整個輸入和輸出電壓范圍內的 CC 性能


圖 5. 根據負載條件變化的 PF 性能與輸入電壓


圖 6. 根據負載條件變化的 THD 性能與輸入電壓
結語為了針對各種 LED 燈規范和 LED 特性提高靈活性和兼容性,本文介紹了覆蓋較寬輸出電壓范圍的 LED 驅動器。Fairchild 的 PSR 控制器 FL7733 提供出色的高 PF 和低 THD 性能,并在非常寬的輸出電壓范圍內提供恒流調節。此外,本文中設計的 LED 驅動器可用于具有簡單設計和較低成本的各種 LED 照明燈具。
相關閱讀:
專家淺析非隔離式升壓拓撲的LED驅動器電路
LED驅動解析:分析LED驅動電源及線性IC電源
一款大功率LED驅動電源電路設計解析




