- 開關電源功耗分析
- 提高待機效率的方法
- 電源降頻存在的問題
- 降低時鐘頻率
- 切斷啟動電阻
- 切換工作模式
而目前大多數開關電源由額定負載轉入輕載和待機狀態時,電源效率急劇下降,待機效率不能滿足要求。這就給電源設計工程師們提出了新的挑戰。
開關電源功耗分析
要減小開關電源待機損耗,提高待機效率,首先要分析開關電源損耗的構成。以反激式電源為例,其工作損耗主要表現為:MOSFET導通損耗
,MOSFET寄生電容損耗
,開關交疊損耗,PWM控制器及其啟動電阻損耗,輸出整流管損耗,箝位保護電路損耗,反饋電路損耗等。其中前三個損耗與頻率成正比關系,即與單位時間內器件開關次數成正比。在待機狀態,主電路電流較小,MOSFET導通時間ton很小,電路工作在DCM模式,故相關的導通損耗,次級整流管損耗等較小,此時損耗主要由寄生電容損耗和開關交疊損耗和啟動電阻損耗構成。
提高待機效率的方法
根據損耗分析可知,切斷啟動電阻,降低開關頻率,減小開關次數可減小待機損耗,提高待機效率。具體的方法有:降低時鐘頻率;由高頻工作模式切換至低頻工 作模式,如準諧振模式(Quasi Resonant,QR)切換至脈寬調制(Pulse Width Modulation,PWM), 脈寬調制切換至脈沖頻率調制(Pulse Frequency Modulation, PFM);可控脈沖模式(Burst Mode)。
切斷啟動電阻
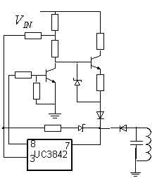
對于反激式電源,啟動后控制芯片由輔助繞組供電,啟動電阻上壓降為300V左右。設啟動電阻取值為47kΩ,消耗功率將近2W。要改善待機效率,必須在 啟動后將該電阻通道切斷。TOPSWITCH,ICE2DS02G內部設有專門的啟動電路,可在啟動后關閉該電阻。
若控制器沒有專門啟動電路,也可在啟動 電阻串接電容,其啟動后的損耗可逐漸下降至零。缺點是電源不能自重啟,只有斷開輸入電壓,使電容放電后才能再次啟動電路。而圖1所示的啟動電路,則可避免 以上問題,而且該電路功耗僅為0.03W。不過電路增加了復雜度和成本。

圖1 UC3842反激式電源啟動電路
降低時鐘頻率
時鐘頻率可平滑下降或突降。平滑下降就是當反饋量超過某一閾值,通過特定模塊,實現時鐘頻率的線性下降。POWER公司的 TOPSwitch-GX和SG公司的SG6848芯片內置了這樣的模塊,能根據負載大小調節頻率,圖2所示是SG6848時鐘頻率與其反饋電流的關系。

圖2 SG6848反饋電流與時鐘頻率的關系
[page]
突降實現方法如圖3:以UCC3895為例,當電源處于正常負載狀態時,Q1導通,其時鐘周期為:

即開關頻率減小。開關損耗降為降頻前的
(小于1)倍。L5991和Infineon公司的CoolSetF2系列已經集成了該功能。
切換工作模式
QR→PWM
對于工作在高頻工作模式的開關電源,在待機時切換至低頻工作模式可減小待機損耗。例如,對于準諧振式開關電源(工作頻率為幾百kHz到幾MHz),可在待機時切換至低頻的脈寬調制控制模式PWM(幾十kHz)。
IRIS40xx芯片就是通過QR與PWM切換來提高待機效率的。圖4是IRIS4015構成的反激式開關電源,重載時,輔助繞組電壓大,R1分壓大于0.6V,Q1導通,輔助準諧振信號經過D1,D2,R3,C2構成的延時電路到達IRIS4015的FB腳,內部比較器對該信號進行比較,電路工作在準諧振模式。當電源處于輕載和待機時候,輔助繞組電壓較小,Q1關斷,諧振信號不能傳輸至FB端,FB電壓小于芯片內部的一個門限電壓,不能觸發準諧振模式,電路則工作在更低頻的脈寬調制控制模式。

圖4由IRIS4015構成的QR/PWM反激式電源電路
PWM→PFM
對于額定功率時工作在PWM模式的開關電源,,也可以通過切換至PFM模式提高待機效率,即固定開通時間,調節關斷時間,負載越低,關斷時間越長,工作頻率也越低。圖5是采用NS公司的LM2618控制的Buck轉換器電路和分別采用PWM和PFM控制方法的效率比較曲線。由圖可見,在輕載時采用PFM模式的電源效率明顯大于采用PWM模式時的效率,且負載越低,PFM效率優勢越明顯。
將待機信號加在其PW/ PPM引腳上,在額定負載條件下,該引腳為高電平,電路工作在PWM模式,當負載低于某個閾值時,該引腳被拉為低電平,電路工作在PFM模式。實現PWM和PFM的切換,也就提高了輕載和待機狀態時的電源效率。
通過降低時鐘頻率和切換工作模式實現降低待機工作頻率,提高待機效率,可保持控制器一直在運作,在整個負載范圍中,輸出都能被妥善的調節。即使負載從零激增至滿負載的情況下,能夠快速反應,反之亦然。輸出電壓降和過沖值都保持在允許范圍內。
[page]可控脈沖模式(BurstMode)
可控脈沖模式,也可稱為跳周期控制模式(SkipCycleMode)是指當處于輕載或待機條件時,由周期比PWM控制器時鐘周期大的信號控制電路某一環節,使得PWM的輸出脈沖周期性的有效或失效,如圖6所示。這樣即可實現恒定頻率下通過減小開關次數,增大占空比來提高輕載和待機的效率。該信號可以加在反饋通道,PWM信號輸出通道,PWM芯片的使能引腳(如LM2618,L6565)或者是芯片內部模塊(如NCP1200,FSD200,L6565和TinySwitch系列芯片)。

圖6BurstMode控制信號與驅動信號圖
NCP1200的內部跳周期模塊結構見圖7,當反饋檢測腳FB的電壓低于1.2V(該值可編程)時,跳周期比較器控制Q觸發器,使輸出關閉若干時鐘周期,也即跳過若干個周期,負載越輕,跳過的周期也越多。為免音頻噪音,只有在峰值電流降至某個設定值時,跳周期模式才有效。

圖7NCP1200跳周期模塊結構
而FSD200則是通過控制內部驅動器實現可控脈沖模式,即將Vfo 腳的反饋電壓與0.6V/0.5V遲滯比較器比較,由比較結果控制門極驅動輸出,其結構可見圖8。我們可根據此原理用分立元件實現普通芯片的BurstMode功能,即檢測次級電壓判斷電源是否處于待機狀態,通過遲滯比較器,控制芯片輸出,電路如圖9所示。

控制反饋通道是實現一般PWM控制器的可控脈沖模式的方法之一。其電路可見圖10
另外對于有使能腳的PWM控制器,如L6565等,用可控脈沖信號控制使能腳使控制芯片有效或失效,可以實現BurstMode,上述BurstSignal可由圖1中所示的遲滯比較器產生。

圖10控制反饋通道的BurstMode
存在的問題
以上介紹的降頻和BurstMode方法在提高待機效率的同時,也帶來一些問題,首先是頻率降低導致輸出電壓紋波的增加,其次如果頻率降至20kHz以內,可能有音頻噪音。而在BurstMode的OFF時期內,如果負載激增,輸出電壓會大大降低,如果輸出電容不夠大,電壓甚至可能降低至零。如果增大輸出電容,以減小輸出電壓紋波,則會導致成本增加,并會影響系統動態性能。因此必須綜合考慮。





