中心議題:
- pwm變頻器的傳導干擾機理
- pwm變頻器傳導干擾的抑制措施
解決方案:
- 基于減小干擾源發射強度的emi抑制技術
- 基于切斷傳導傳播途徑的emi抑制方法
1 引言
隨著現代控制理論、電力電子技術、計算機控制技術和傳感器技術的發展,整個拖動領域正在進行一場革命,交流電機的調速理論取得了突破性的進展,交流傳動取代直流傳動已成為不可逆轉的趨勢。變頻器以其節能顯著、過載能力強、調速精度高、響應速度快、保護功能完善、使用和維護方便等優點在交流傳動領域的應用將越來越廣泛。
變頻器是把工頻電源(50Hz或60Hz)變換成各種頻率的交流電源,以實現電機的變速運行的設備,其中控制電路完成對主電路的控制,整流電路將交流電變換成直流電,直流中間電路對整流電路的輸出進行平滑濾波,逆變電路將直流電再逆成交流電。對于如矢量控制變頻器這種需要大量運算的變頻器來說,有時還需要一個進行轉矩計算的CPU以及一些相應的電路。變頻調速是通過改變電機定子繞組供電的頻率來達到調速的目的。在現代工業中,變頻器的使用越來越廣泛。目前幾乎所有變頻器都采用pwm控制技術。
目前,國內外對電磁兼容問題非常重視。pwm變頻電機驅動系統所產生的電磁干擾也越來越受到人們的重視。為了達到電磁兼容標準的要求,正確的設計、合理的運用抑制手段,使系統emi發射強度減小到emc標準限值以下,使電氣設備和系統實現電磁兼容。
2 pwm變頻器的傳導干擾機理
所謂傳導耦合是指電磁噪聲的能量在電路中以電壓或電流的形式,通過金屬導線或其他元器件耦合至被騷擾設備。傳導耦合又可以分為直接傳導耦合和公共阻抗傳導耦合。直接傳導耦合是指噪聲直接通過導線、金屬體、電阻、電容、電感和變壓器等實際元器件耦合到被騷擾設備。公共阻抗傳導耦合是指噪聲通過印制板電路和機殼接地線、設備的公共安全接地線以及接地網絡中的共地阻抗產生公共的地阻抗耦合;噪聲通過交流供電電源及直流供電電源的公共電源阻抗時,產生公共電源阻抗耦合。
功率開關器件的開關運行狀態引起系統中各組件間復雜的相互耦合作用就會形成傳導干擾。傳導干擾考慮的最高頻率為30mhz,在真空中相應的電磁波波長λ為10m,因而對于尺寸小于λ/2π的電力電子裝置來講,屬于近場范圍,可用集總參數電路進行電磁干擾分析。可以根據傳導干擾傳播耦合通道的不同將系統輸入/輸出導線上的騷擾區分為共模干擾和差模干擾兩部分,一般認為共模干擾主要是由于系統變流器中的功率半導體開關器件開關動作引起的dv/dt經系統對地雜散電容耦合而傳播,一個極的電壓變化都會通過容性耦合到另一個極產生位移電流。通過寄生電容產生的電流并不需要直接的電氣連接,甚至可以沒有地。其大小可以表示為:i=cdu/dt ,式中c為電池干擾源和敏感設備之間的等效耦合電容。
差模干擾則主要是由于功率半導體開關器件開關引起的di/dt經輸入輸出線間的導體傳播。當然,這些只是傳導干擾產生的最本質原因,而不同的電機系統其傳導干擾的具體成因不同,另外,共模干擾和差干騷擾是可以相互轉化的,并不是絕對分開的。比如圖1所示為共模電流傳輸通道的不平衡造成非本質差模噪聲的電路圖。

圖1 非本質差模噪聲產生機理
如圖2為pwm變頻驅動電機系統的電磁干擾電流流通路徑圖,包括共模干擾和差模干擾。在pwm變頻器中,為保證開關管工作時不會因過熱而失效,都要對其安裝散熱器,并且為防止短路,開關管的金屬外殼與散熱器之間是通過導熱絕緣介質相隔離的,同時散熱器又是通過機箱接地的,于是,在變頻器與散熱器之間就形成了一個較大的寄生電容。當逆變器正常工作時,隨著每相橋臂上、下開關管的輪流開通,橋臂中點電位會隨之發生準階躍變化。如果從emi角度看該現象,那么三個橋臂所輸出的電壓就是三個emi干擾源,而且每個開關動作時都會對功率開關器件與散熱片之間寄生電容進行充、放電,形成共模emi電流。

圖2 pwm變頻驅動電機系統的電磁干擾電流流通路徑圖[page]
3 pwm變頻器傳導干擾的抑制措施
由于電磁干擾產生必須具備三要素:電磁干擾源、電磁干擾傳播途徑和敏感設備,所以對于抑制pwm變頻驅動電機系統的傳導干擾也必須從三要素入手,即降低干擾源的強度、切斷傳播途徑和提高敏感設備的抗擾度。
3.1 基于減小干擾源發射強度的emi抑制技術
從降低干擾源的強度來看,歸納起來有三種具有代表性的方法:改變電路拓撲、改進控制策略和優化驅動電路。
(1)改變電路拓撲
改進電路拓撲的思路主要是通過對稱結構來消除變換器輸出的共模電壓,并且由于開關器件上電壓變化率減半而使得裝置輸入側傳導干擾發射水平降低。以a.l.julian為首的學者根據“電路平衡”原理提出了一種用于消除三相功率變換器輸出共模電壓的三相四橋臂方案[9-11],其實驗電路見圖3所示。該方法基本思想是采用一個外加“輔助相”使三相系統電路的對地電位對稱,并通過調整開關順序,使四橋臂輸出相電壓之和盡可能為零,實現共模電壓完全為零。與傳統三橋臂功率變換器相比,它的共模emi可以減小約50%。

圖3 帶二階濾波器的三相四橋臂功率變換器
m.d.manjrekar和a.rao等學者提出了一種通過添加輔助零狀態開關,以消除因零開關狀態而產生共模電壓的方案,電路結構見圖4所示。這種輔助零狀態合成器方法在經濟方面很有吸引力,并且還可以使消除感應電機側共模電壓。

圖4 輔助零狀態合成器結構圖
與傳統的功率變換相比,盡管三相四橋臂和輔助零狀態合成器這兩種方法都能夠消除或降低系統的共模電壓,但它們所采用的調制策略都會使系統電壓利用率下降。為此,haoran zhang等學者提出了一種用于消除電機共模電壓和軸電流的雙橋功率變換器,拓撲結構見圖5所示。它是通過控制雙橋功率變換器產生標準的三相雙繞組感應電動機平衡激勵,并通過平衡激勵(磁系統)實現抵消共模電壓,達到消除軸電壓、軸電流及充分減小漏電流、emi發射強度的目的。

圖5 雙功率變換器驅動電路
為了消除pwm電機驅動系統共模電流,a.consoli等學者基于共模電壓補償技術,提出了一種應用于由兩個或多個功率變換器組成的多驅動系統公共直流母線共模電流消除技術,拓撲結構見圖6所示。該方法是在兩個功率變換器做適當連接的基礎上,通過控制兩個變換器狀態序列而使共模電壓同步變化的新pwm調制策略。

圖6 公共直流母線多電動機驅動共模電壓抑制系統[page]
(2)改進控制策略
由于兩電平pwm調制策略將不可避免的使功率變換器輸出含有共模電壓,為此一些學者基于改進逆變器控制方式或策略,提出了一些可以消除或減小共模電壓的新調制策略。韓國學者hyeoun-dong lee對全控型三相整流/逆變器的空間矢量調制方式進行了改動,它是依據非零矢量位置的移動會減小系統輸出共模電壓脈沖數量和作用時間這一原理,實現共模電壓的減小。另外該學者還提出了通過檢測整流器濾波電容鉗位中點電位的過零點極性,并選用兩個不同零矢量的方法。該方法可以將功率變換器輸出的共模電壓降低到傳統svpwm方式的三分之二;再有m.zigliotto等學者提出了以隨機開關頻率調制方式實現電磁干擾能量在頻域范圍內分布平均化的抑制技術。
(3)優化驅動電路
由于pwm電機驅動系統產生傳導emi的主要原因是功率半導體器件高頻開關動作所引起的dv/dt和di/dt過大,并且它們的大小還直接影響著系統emi的發射強度,而且對于常用的開關器件,其開關瞬間dv/dt和di/dt的大小受門極驅動脈沖波形和門極雜散電容的影響,因此,如果單純從減小系統emi發射強度的角度考慮,通過選擇適當的電路拓撲結構和控制策略是可以減小dv/dt和di/dt,實現降低系統emi發射強度。vinod john等學者根據igbt的結構特點、開關特性及其所具有的彌勒效應提出了一種三級驅動的思想,并設計出了相應的電路。它既能應用于分立器件,也能應用于igbt模塊,而且還適用于軟開關和硬開關技術;另外一種減小dv/dt和di/dt的方法就是增加緩沖吸收電路。該方法在一定程度上減小了dv/dt和di/dt,對系統emi具有改善作用,但事實上它只是消除了器件開關時的振蕩現象,效果不是很明顯。
3.2 基于切斷傳導傳播途徑的emi抑制方法
盡管單純從emc角度出發,降低干擾源對外發射電磁干擾強度是能夠減小系統emi,但會受到開關損耗增大、抑制幅度有限、控制策略繁雜及電壓利用率降低等不利因素的限制。為此各國學者相繼提出了一些用于阻斷emi傳播途徑的emi濾波器結構,并且實驗表明經過正確設計的濾波器,能夠使系統emi發射強度減小到emc標準限值以下,這是電氣設備和系統實現電磁兼容的重要手段。同諧波濾波器一樣,emi濾波器也可以被劃分為無源emi濾波器和有源emi濾波器兩種。
(1)有源emi濾波器
有源濾波器是通過有源電路來消除emi噪聲能量。有源濾波器的具體工作原理是通過檢測環節檢測到emi電流或電壓,然后將其反向回饋給系統,以此來抵消系統所產生的emi電流或電壓,達到消除emi的目的。
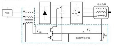
目前比較典型的用于消除共模電流的有源濾波器如圖7所示。它由小型共模電流變壓器和一對互補的高頻晶體管組成,逆變器開關動作時,高頻漏電流通過電機繞組和機座間的寄生電容經地線回到電源側,共模電流變壓器將共模電流isl 檢測出來,經互補晶體管放大產生補償電流il′,如果變壓器變比與晶體管放大倍數乘積足夠大,就可消除漏電流il,完全抑制了流入到電源側的共模電流isl。

圖7 用于消除共模電流的有源濾波器
傳統的用于消除共模電壓的有源濾波器如圖8所示,文獻將其稱為有源共模噪聲消除器,acc連接在逆變器的輸出端和三根電纜之間,由共模電壓傳感器、補償電路和共模變壓器組成,acc在逆變器輸出端疊加一個補償電壓,該補償電壓與pwm逆變器產生的共模電壓極性相反、幅值相等,從而使施加在負載上的共模電壓被完全消除,也就減小了共模電流和傳導emi。

圖8 用于消除共模電壓的有源濾波器[page]
(2)無源emi濾波
無源emi濾波通常是由電阻、電感、電容等元器件組成,目前最為常見的是電源emi濾波器,其結構見圖9所示。由于它只能抑制emi噪聲,而對pwm電機驅動系統的其它負面效應無抑制作用,為此各國學者又相繼提出了一些兼顧其它功能的無源emi濾波器。如a.v.jouanne等學者所提出的共模變壓器方案,結構如圖10所示。該方案是從消除電動機側共模emi電流的角度進行設計的,它是在共模扼流圈的基礎上,再在同一磁芯上纏繞一個終端連接阻尼電阻的第四繞組,以此抑制共模emi電流的振蕩,達到消除電機端共模電壓帶來的其它負面效應。

圖9 典型三相emi電源濾波器

圖10 共模變壓器方案
d.a.rendusara等學者提出了改進型二階rlc低通功率變換器輸出濾波器,結構見圖11所示。它與原型濾波器相比,其重要區別就是通過導線把以星型形式連接的阻容電路中性點“n`”與變換器直流母線鉗位中點“m”接在一起。該濾波器的優點是可以同時減小電機側的傳導差模emi電流和傳導共模emi電流,并且如果參數設計合理,還可以使rf、lf和cf的值很小,而將其安裝在功率變換器機殼內。它可以使電機端的過電壓、對地共模emi電流以及軸電壓顯著減小,并且該濾波器的尺寸、損耗以及成本都較低。

圖11 改進型二階無源低通濾波器
4 結束語
隨著國際標準的強制執行,再加上科研過程中不斷出現新的電磁干擾問題,使得變頻器的電磁兼容問題成為亟待解決的問題。本文從分析pwm變頻器傳導干擾機理入手,總結了目前傳導干擾的抑制措施,具有參考意義。總的來說,變頻器的電磁兼容設計還處于初期階段,還需要我們付出長期不懈的努力。相信在未來變頻器的電磁兼容設計將會有更好的發展。



