中心議題:
- 串聯鋰離子電池組監測系統的設計
- 技術和方案介紹
解決方案:
- 采用高共模抑制比差分運放INA117
- 選用高位A/D轉換器
- 保證接線正確
具有高電壓、高容量、循環壽命長、安全性能好等優點的鋰離子電池,在便攜式電子設備、電動汽車、空間技術、國防工業等多方面具有廣闊的應用前景。由若干節鋰離子電池經串聯組成的動力鋰離子電池組目前應用最為廣泛。由于每節單體電池的電壓不一致,使用中電池不允許過充電、過放電,電池的性能和壽命受溫度影響較大等特點,必須對串聯鋰離子電池組進行監測,確保在使用中鋰離子電池具有良好的狀態,或者使用中電池出現問題立即報警,電源管理系統立即采取保障措施,并提醒相關人員檢修。單體電壓和電池組的溫度是辨別串聯鋰離子電池組是否正常工作的主要技術指標。采用直接采樣法,將要測量的單體電池電壓存儲在非電容上進行測量。該方法反應時間慢、誤差較大、控制復雜; 采用運放和光藕繼電器來測量串聯電池組的單體電壓。該方法對光耦的線性度要求很高,導致硬件成本較高。目前,直接采用集成芯片的串聯鋰離子電池組監控系統受到青睞,但該方法串聯電池的數目固定,導致應用不靈活、硬件成本高等缺點。文中研制了一種動力鋰離子電池組監測系統,對串聯鋰離子電池組的單體電壓和電池組的溫度進行在線監測,當單體電池電壓偏離規定區間時,監測系統啟動報警程序進行聲、光報警; 當電池組溫度偏離規定的區間時,監測系統啟動風扇或加熱控制電路,并存儲有關數據,確保電池組正常工作。整個監測系統具有連續測量分量、簡單經濟、精度高和可靠性高的特點。
1 技術和方案
1. 1 系統結構
串聯鋰離子電池組監測系統包括采用51 系列單片機的核心控制模塊、鋰離子電池組狀態采集模塊、信號調理模塊,報警及處理系統模塊,監測系統可以通過RS485 接口與PC 機組成分布式監測系統,實現一臺PC 監測多個串聯電池組,系統結構框圖如圖1 所示。
狀態采集模塊包括對單體電池的電壓和電池組的溫度等參數進行采集,然后待測量信號進行處理,通過A/D轉換器采樣后傳輸給單片機進行數據處理,將有效數據通過串口傳到本地PC 機,監測人員可以通過對狀態數據的進行分析從而掌握電池組的工作情況,對不安全的狀態進行及時的處理,確保其工作的可靠性。

圖1 串聯鋰離子電池組監測系統結構圖
1. 2 串聯鋰離子電池組的共地問題
串聯鋰離子電池組電壓測量的方法有多種,最簡單的是電阻分壓測量方法,該方法缺點是大阻值電阻的漂移誤差和電阻漏電流導致測量精度低,且影響電池組的一致性。另外一種較為常用的方法是每一個單體電池用一個隔離運算放大器,但是它的體積大且價格高,適于測量精度要求高且不考慮漏電流和成本的場合。設計選用德州儀器公司的INA117 來解決串聯鋰離子電池組的共地問題INA117 的失真為0. 001%; 共模擬制比最小86 dB,共模輸入電壓范圍± 200 V,適合于高精度的測量。
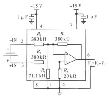
INA117 內置了380 kΩ、20 kΩ 和21. 1 kΩ3 個電阻,因此外部電路省去精密電阻,減少了精密電阻帶來的誤差和系統復雜程度。圖2 是INA117 輸出1 節電池電壓的接法,6 腳和1 腳之間的電壓就是1 節電池兩端的電壓差。

圖2 INA117 輸出電壓是兩輸入電壓之差的接法[page]
該檢測系統采用16 個INA117 分別把16 節鋰離子電池的單體電壓挑選出來。如果它們的1 腳都接相同的地,就可以使16 個INA117 都有相同的信號地,A/D 轉換器進行采樣。共地點選在第8 節電池負極和第9 節電池正極的連接處。
每節鋰離子電池最高電壓為5 V,由圖3 可得,第1 個INA117 的3 腳的輸入電勢最高為40 V.同理,第16 個INA117 的2 腳輸入電勢最低為- 40 V.第1 至8 個INA117 的輸出電壓為正,第9 至16 個INA117 的輸出電壓為負,所以多選一模擬開關和A/D 轉換器都要求可以輸入正、負電壓。多選一模擬開關選用MUX16,為16 選1 可正負電壓輸入模擬開關,因此16節電池只需1 個MUX16.但由于單片機IO 口有限,文中用一片74LS154 擴展了IO 口,僅用單片機的4 個IO 口即可控制MUX16 分別選通單節鋰離子電池進行電壓采樣。

圖3 16 個INA117 的共地點接法
1. 3 A/D 轉換器
監測電池組無需用很高的采樣速度采樣每節電池的電壓,16 節電池電壓的采樣共用1 個A/D 轉換器。各節電池輸入的測量電壓通過多選一模擬開關MUX16 與A/D 轉換器連接。根據電池電壓的更新周期和電壓要求,A/D 轉換器傳送給單片機的電壓轉換值誤差最大為10 mV.選擇美信公司MAX1272.
MAX1272 是具有故障保護、可通過軟件選擇輸入范圍的12 位串行模擬數字轉換器,使用SPI 三線通信協議,+ 5 V 供電,模擬輸入電壓范圍0 ~ 10 V,0 ~ 5 V,± 10 V,± 5 V.內部自帶+ 4. 096 V 參考電壓。當采用內部+ 4. 096 V 參考電壓時,理想情況下模擬電壓輸入對應的數字輸出,如表1 所示。
表1 理想情況下模擬電壓輸入對應的數字輸出

由表1 可知,MAX1272 輸出的數字量最高位是符號位,余下的11 位是數據。負數以補碼的形式給出。
參考電壓為+ 4. 096 V 時,1LSB = 1. 220 7 mV.
MAX1272 的最大量化誤差,加上非線性、失調等誤差的影響,總誤差約為5 mV.INA117 精度高,正常情況下,誤差在1 mV 以內。因此,使用INA117 和MAX1272 的組合,可以滿足串聯鋰離子電池組電池監測系統在電壓誤差10 mV 以下的要求。需要更高的電壓精度,需要選用更高分辨率的A/D 轉換器。
MAX1272 的線路連接圖如圖4 所示。

圖4 MAX1272 的線路連接圖[page]
圖4 中MAX1272 采用了內部參考電壓,6 腳VREF 和地之間接2. 2 μF 鉭電容和0. 1 μF 陶瓷電容。
PCB 布線時,這兩個電容都要求盡量接近MAX1272。
1. 4 溫度監測
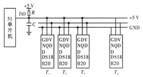
針對串聯電池組,傳統的測溫方法多采用模擬溫度傳感器進行測量,在數據的采集和傳輸過程中易受外界環境的干擾,從而使測得的結果誤差較大,且當測量點較多時,連線較復雜。文中采用單片機和單總線數字式溫度傳感器DS18B20 來解決上述問題。其原理如圖5 所示。

圖5 溫度巡回檢測系統框圖
采用外部5 V 供電,總線上可掛接多片DS18B20,且可以同時進行精確的溫度轉換,而無需外接驅動電路。測溫范圍- 55 ~ + 125 ℃; 測溫精度: 在- 10 ~+ 85 ℃范圍內的精度為± 0. 5 ℃; 在溫度采集過程中,單片機芯片需對DS18B20 發命令字,同時也需要讀取由DS18B20 采集到的溫度。因此,單片機控制器的I /O必須被設置為具有雙向傳輸數據能力。
本檢測系統每隔一節鋰離子電池在總線上掛接一片DS18B20,設置8 個溫度監測點,同時檢測8 點溫度。實際應用時由單片機軟件判斷出需要顯示的溫度值: 當溫度高于10 ℃時,顯示8 個溫度點中最高的溫度值; 當溫度低于10 ℃時,顯示8 個溫度點中最低的溫度值,達到有效合理的溫度監控效果。
1. 5 風扇及加熱控制電路
對于電池的散熱問題,設計了風扇控制電路,通過對測量到的電池溫度值進行判斷,決定風扇的開啟或關閉。當溫度過高時,單片機將發出信號開啟風扇。
電路如圖6 所示,FAN 為低電平時,晶體管9014 不導通,此時繼電器無動作; 當FAN 為高電平時,晶體管9014 導通,使得繼電器觸點吸合,風扇在24 V 電源電壓的供電下開始工作。

圖6 風扇控制電路
對于應用環境復雜的串聯鋰離子電池組,除了要考慮溫度過高的情況,還要考慮溫度過低的情況。因為電池在溫度過低的環境下運行時,會使鋰離子活性變差,嵌入和脫出能力下降,容易在石墨晶體表面沉積,形成鋰金屬。形成的鋰金屬會與電解液發生不可逆的反應。
如果鋰離子電池長期在低溫下工作,則將使電池的容量下降明顯。因此根據需要設計了加熱器控制電路,原理如風扇控制電路。
2 監測系統的性能
實測證明,使用INA117、16 選1 模擬開關MUX16、MAX1272、51 單片機和DS18B20 的串聯鋰離子電池組監測系統監測16 節3. 7 V 鋰離子電池,電壓的測量誤差完全在10 mV 以內。溫度方面,由于DS18B20 精度較高,溫度誤差在1 ℃以內。電壓和溫度的測量均達到要求,系統運行可靠。當串聯鋰離子電池組任何一節電池電壓< 2. 2 V 時,單片機調用輕度報警程序進行聲光報警,并通報存在問題的電池。
當串聯鋰離子電池組任何一節電池電壓> 5 V 時,單片機調用嚴重報警程序進行聲光報警。如果溫度值超出預設溫度值的容許范圍,串聯鋰離子電池組監測系統進行聲光報警。風扇和加熱控制電路均能根據設定溫度正常啟動控制電路。當溫度低于5 ℃時,啟動加熱控制電路; 溫度高于50 ℃時,啟動風扇控制電路。
3 結束語
串聯鋰離子電池組檢測系統,采用高共模抑制比差分運放INA117 解決了共地問題,監測電壓誤差正負10 mV,如要進一步提高檢測精度,可以選用高位A/D轉換器。檢測時,鋰離子電池是串聯接在檢測模塊上的,要保證接線正確。根據實際應用,可把幾個檢測系統串接起來檢測更多的串聯鋰離子電池組,但要確保共模電壓不超過INA117 的最大保護共模電壓范圍。





