中心議題:
- Buck三電平變換器的工作模態
- 基于SG3525的PWM Buck三電平變換器設計
解決方案:
- 基于SG3525的PWM Buck三電平變換器驅動電路設計
- 基于SG3525的PWM Buck三電平變換器系統設計
本文闡述了用SG3525電壓調節芯片實現PWM Buck三電平變換器的交錯控制。相對于采用分立元件實現PWM Buck三電平變換器的交錯控制而言,該控制方法電路簡單,易于實現,可以較好地解決三電平波形的不對稱問題。詳細介紹了SG3525電壓調節芯片,并給出了基于SG3525電壓調節芯片的PWM Buck三電平變換器的具體設計方法。最后對輸入電壓為120V(90~180V),輸出為48V/4A,開關頻率50kHz的PWM Buck三電平變換器進行了實驗驗證。
0 引言
三電平變換器有下列優點:
- 開關管的電壓應力為輸入電壓的一半;
- 可以大大減小儲能元件的大小;
- 續流二極管的電壓應力為輸入電壓的一半。
因此,三電平變換器非常適用于高輸入電壓中大功率的應用場合。文獻[1]詳細分析了隔離與非隔離的三電平變換器的拓撲結構。
由于三電平變換器的開關數目多,對其實施有效的控制比較復雜。傳統上,采用比較器、運算放大器和RS觸發器等分立元件實現PWM三電平變換器的控制。但是,由于實現上述控制所需的分立元件眾多,兩個鋸齒波不可能做到完全匹配,同時兩個開關管的驅動電路也不可能完全相同,因此,兩個開關管的占空比必然存在一定的差異,隔直電容Cb在一個周期內所提供的能量不可能相等,造成了三電平波形不對稱。
本文采用電壓調節芯片SG3525來實現PWM Buck三電平變換器的控制,可以大大減小由分立元件實現時所帶來的三電平波形不對稱的問題,實現方法簡單有效。
1 Buck三電平變換器
1.1 三電平兩種開關單元
文獻[2]分析了三電平DC/DC變換器的推導過程:用兩只開關管串聯代替一只開關管以降低電壓應力,并引入一只箝位二極管和箝位電壓源(它被均分為兩個相等的電壓源)確保兩只開關管電壓應力均衡。電路中開關管的位置不同,其箝位電壓源與箝位二極管的接法也不同。文中提取出兩個三電平開關單元如下圖1所示。圖1(a)中,箝位二極管的陽極與箝位電壓源的中點相連,稱之為陽極單元;圖1(b)中,箝位二極管的陰極與箝位電壓源的中點相連,稱之為陰極單元。

(a)三電平陽極單元 (b)三電平陰極單元
圖1 兩種三電平開關單元
[page]
1.2 Buck三電平變換器
為了確保兩只開關管的電壓應力相等,三電平變換器一般由上述兩種開關單元共同組成。文獻[2]所分析的半橋式三電平變換器的推導思路,可以推廣到所有的直流變換器中,由此提出了一族三電平變換器拓撲。圖2為Buck三電平變換器主電路拓撲及其4個工作模態。
模態1:如圖2(a)所示。在t=0時刻,觸發開關管S2,使S2導通,二極管D2則反偏截止,電壓源Vin通過隔直電容Cb給電感L充電。
模態2:如圖2(b)所示。在t=t1時刻,關斷S2,則D2導通,電路由D1及D2續流,電感L放電。
模態3:如圖2(c)所示。直至t=t2時刻,控制電路使S1導通,二極管D1則反偏截止,隔直電容Cb向電感L放電。
模態4:如圖2(d)所示。當t=t3時刻,關斷S1,則D1導通,電路由D1及D2續流,電感L放電,與模態2的工作過程類似。

(a)模態1 (b)模態2

(c)模態3 (d)模態4
圖2 Buck三電平變換器
2 基于SG3525的PWM Buck三電平變換器
2.1 電壓調節芯片SG3525
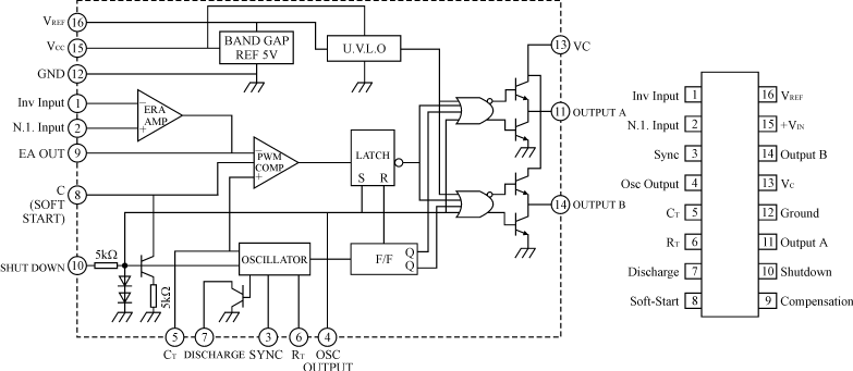
電壓調節芯片SG3525是一種性能優良,功能全面及通用性強的集成PWM電壓控制芯片。它具有振蕩器外同步,內置基準電壓源,死區調節,PWM鎖存器以及輸出級的最佳設計等特點。
SG3525為16腳芯片,具體的內部結構和封裝如圖3所示。其中,腳16為SG3525的基準電壓源輸出,精度可以達到(5.1±1%)V,采用了溫度補償,而且設有過流保護電路。腳5,腳6,腳7內有一個雙門限比較器,內電容充放電電路,加上外接的電阻電容電路共同構成SG3525的振蕩器。振蕩器還設有外同步輸入端(腳3)。腳1及腳2分別為芯片內誤差放大器的反相輸入端、同相輸入端。該放大器是一個兩級差分放大器,直流開環增益為70dB左右。根據系統的動態、靜態特性要求,在誤差放大器的輸出腳9和腳1之間一般要添加適當的反饋補償網絡。

(a)內部結構圖 (b)封裝圖
圖3 SG3525的內部結構圖和封裝圖
[page]
由于SG3525能輸出兩路占空比相等,且相位相差180°的驅動信號,所以適合于用來實現對非隔離型PWM三電平變換器的控制。
有一點需要注意的是,SG3525只能輸出占空比<50%的驅動信號,所以只能實現非隔離型三電平變換器的占空比<50%的工作情況。至于要實現變換器的占空比>50%的工作要求,則不能將SG3525的輸出直接驅動開關管,而必須附加一些環節,對此本文不加贅述。
2.2 驅動電路
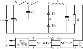
為提高電路的效率及功率器件工作的可靠性,一般需要將控制電路的輸出信號加以功率放大。本文采用MC34152加隔離變壓器驅動的方法來設計驅動電路。
MC34152的外圍電路簡單,應用方便。它是8管腳的同相推挽驅動芯片,具體的內部結構和封裝如圖4所示。腳2與腳4為兩路控制信號輸入,經過芯片內部的推挽放大,直接輸出同相的兩路驅動信號(腳7及腳5)。為使芯片更加穩定地工作,一般在芯片的電源端并聯一個濾去高頻干擾的瓷片電容和一個濾去低頻干擾的電解電容。

(a)內部結構圖 (b)封裝圖
圖4 MC34152內部結構圖和封裝圖
當電路的功率較大及工作頻率較高時,一般要將控制電路與主電路隔離。所以,本文采用隔離變壓器來實現隔離。MC34152的輸出經一隔直電容后直接可以輸入到隔離變壓器的原邊。
本文所設計的驅動電路簡單可行,驅動波形比較理想:有快速的上升沿,并有一定的過沖,以加速開通,減小了開通損耗;同時,有反偏截止電壓,提供了足夠的反相門極驅動,減小了下降時間。
2.3 基于SG3525的PWM Buck三電平變換器
基于SG3525的PWMBuck三電平變換器的系統框圖如圖5所示。

圖5 基于SG3525的PWMBuck三電平變換器
[page]
3 實驗結果和分析
為驗證基于SG3525的PWM Buck三電平變換器的控制可行性,選擇合適的器件參數對電路進行了實驗驗證。輸入電壓為DC90~180V,輸出電壓為DC48V,額定輸出電流為4A,開關頻率為50kHz。
圖6所示的即為基于SG3525的PWM Buck三電平變換器的實驗波形。

(a)ch1-死區波形;ch2-vgs1;ch3-vgs2

(b)ch4-vcd;ch2-vgs1;ch1-vds1

(c)ch1-vds2;ch2-vgs2;ch3-vab;ch4-vds1

(d)ch1-Io;ch2-Vo
圖6 PWM Buck三電平變換器實驗結果
[page]
從圖6中可以看出,采用SG3525來實現PWM Buck三電平變換器的控制是可行的。
圖6(a)中,SG3525的兩路輸出vgs1及vgs2的最大占空比約為48.5%。死區時間可以根據電路需要任意調節。在PWM Buck三電平變換器中,開關頻率為50kHz,從圖中可以看出驅動信號的頻率即為所需。要實現對驅動信號頻率的調節也變得非常簡單,只需要調節SG3525的振蕩器頻率即可。
圖6(b)中,輸入電壓Vin為DC120V,恒流電子Io負載為4A。vcd為隔直電容Cb兩端的電壓波形,其平均值為Vin/2,即為輸入電壓的一半。實驗中,vcd的波形有微小的尖峰。這是由開關管S2的開通和關斷所引起的。vgs1為開關管S1的驅動波形。vds1為開關管S1工作時的漏源極電壓波形,開通及關斷時刻沒有大的尖峰,對開關管而言是比較理想的波形。
圖6(c)中,輸入電壓Vin為DC 120V,恒流電子負載Io為4A。由vds1和vds2的波形可以明顯看出兩個開關管的工作情況:開關管S1和S2互補導通,而且有共同關斷的時段,此間由二極管D1和D2續流,很好地驗證了本文中所分析的4個模態的工作情況。vgs2即為開關管S2的驅動波形。vab為三電平波形,可見其頻率為開關頻率的2倍。從而大大減小了濾波元件的大小。文獻[3][4]詳細分析了一類零電壓零電流開關復合式全橋三電平DC/DC變換器,該變換器的輸出整流電壓高頻交流分量很小,可以減小輸出濾波器,改善變換器的動態性能;同時其輸入電流脈動很小,可以減小輸入濾波器。文獻[1]詳細論述了Buck三電平變換器和傳統的Buck變換器中濾波器的參數設計的分析和比較。
圖6(d)中,輸入電壓為DC 120V。圖中示意了恒流電子負載Io從2A跳變到4A時,輸出電壓Vo的瞬態響應曲線。可以看出該PWM Buck三電平變換器電路的抗負載擾動能力比較強,可以較快地穩定在額定輸出的電壓值Vo=48V上。
4 結語
本文首先簡要論述了三電平變換器拓撲的推導過程;接著介紹了Buck三電平變換器的主電路拓撲及其在占空比小于50%時的4個工作模態。詳細分析了如何基于電壓調節芯片SG3525來實現PWM Buck三電平變換器的控制。最后用實驗證明了基于SG3525來實現對PWM Buck三電平變換器的控制是行之有效的,可以大大減小由分立元件實現所帶來的三電平波形不對稱的問題,方法簡單。同樣,基于SG3525的電壓控制方法可以推廣到其它非隔離型的PWM三電平變換器中。



