【導讀】作為一名電源研發工程師,自然經常與各種芯片打交道,可能有的工程師對芯片的內部并不是很了解,不少同學在應用新的芯片時直接翻到Datasheet的應用頁面,按照推薦設計搭建外圍完事。
摘要
作為一名電源研發工程師,自然經常與各種芯片打交道,可能有的工程師對芯片的內部并不是很了解,不少同學在應用新的芯片時直接翻到Datasheet的應用頁面,按照推薦設計搭建外圍完事。如此一來即使應用沒有問題,卻也忽略了更多的技術細節,對于自身的技術成長并沒有積累到更好的經驗。今天以一顆DC/DC降壓電源芯片LM2675為例,盡量詳細講解下一顆芯片的內部設計原理和結構,IC行業的同學隨便看看就好,歡迎指教!
LM2675-5.0的典型應用電路
打開LM2675的DataSheet,首先看看框圖

這個圖包含了電源芯片的內部全部單元模塊,BUCK結構我們已經很理解了,這個芯片的主要功能是實現對MOS管的驅動,并通過FB腳檢測輸出狀態來形成環路控制PWM驅動功率MOS管,實現穩壓或者恒流輸出。這是一個非同步模式電源,即續流器件為外部二極管,而不是內部MOS管。
下面咱們一起來分析各個功能是怎么實現的
一、基準電壓
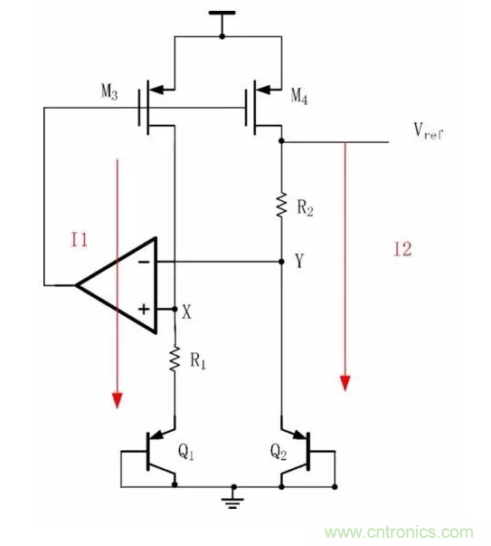
類似于板級電路設計的基準電源,芯片內部基準電壓為芯片其他電路提供穩定的參考電壓。這個基準電壓要求高精度、穩定性好、溫漂小。芯片內部的參考電壓又被稱為帶隙基準電壓,因為這個電壓值和硅的帶隙電壓相近,因此被稱為帶隙基準。這個值為1.2V左右,如下圖的一種結構:

這里要回到課本講公式,PN結的電流和電壓公式:

可以看出是指數關系,Is是反向飽和漏電流(即PN結因為少子漂移造成的漏電流)。這個電流和PN結的面積成正比!即Is->S。
如此就可以推導出Vbe=VT*ln(Ic/Is) !
回到上圖,由運放分析VX=VY,那么就是I1*R1+Vbe1=Vbe2,這樣可得:I1=△Vbe/R1,而且因為M3和M4的柵極電壓相同,因此電流I1=I2,所以推導出公式:I1=I2=VT*ln(N/R1) N是Q1 Q2的PN結面積之比!
回到上圖,由運放分析VX=VY,那么就是I1*R1+Vbe1=Vbe2,這樣可得:I1=△Vbe/R1,而且因為M3和M4的柵極電壓相同,因此電流I1=I2,所以推導出公式:I1=I2=VT*ln(N/R1) N是Q1 Q2的PN結面積之比!
這樣我們最后得到基準Vref=I2*R2+Vbe2,關鍵點:I1是正溫度系數的,而Vbe是負溫度系數的,再通過N值調節一下,可是實現很好的溫度補償!得到穩定的基準電壓。N一般業界按照8設計,要想實現零溫度系 數,根據公式推算出Vref=Vbe2+17.2*VT,所以大概在1.2V左右的,目前在低壓領域可以實現小于1V的基準,而且除了溫度系數還有電源紋波抑制PSRR等問題,限于水平沒法深入了。最后的簡圖就是這樣,運放的設計當然也非常講究:

如圖溫度特性仿真:

二、振蕩器OSC和PWM
我們知道開關電源的基本原理是利用PWM方波來驅動功率MOS管,那么自然需要產生振蕩的模塊,原理很簡單,就是利用電容的充放電形成鋸齒波和比較器來生成占空比可調的方波。

最后詳細的電路設計圖是這樣的:

這里有個技術難點是在電流模式下的斜坡補償,針對的是占空比大于50%時為了穩定斜坡,額外增加了補償斜坡,我也是粗淺了解,有興趣同學可詳細學習。
三、誤差放大器
誤差放大器的作用是為了保證輸出恒流或者恒壓,對反饋電壓進行采樣處理。從而來調節驅動MOS管的PWM,如簡圖:

四、驅動電路
最后的驅動部分結構很簡單,就是很大面積的MOS管,電流能力強。

五、其他模塊電路
這里的其他模塊電路是為了保證芯片能夠正常和可靠的工作,雖然不是原理的核心,卻實實在在的在芯片的設計中占據重要位置。
具體說來有幾種功能:
1、啟動模塊
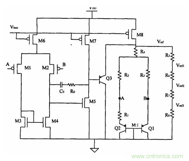
啟動模塊的作用自然是來啟動芯片工作的,因為上電瞬間有可能所有晶體管電流為0并維持不變,這樣沒法工作。啟動電路的作用就是相當于“點個火”,然后再關閉。如圖:
上電瞬間,S3自然是打開的,然后S2打開可以打開M4 Q1等,就打開了M1 M2,右邊恒流源電路正常工作,S1也打開了,就把S2給關閉了,完成啟動。如果沒有S1 S2 S3,瞬間所有晶體管電流為0。

2、過壓保護模塊OVP
很好理解,輸入電壓太高時,通過開關管來關斷輸出,避免損壞,通過比較器可以設置一個保護點。

3、過溫保護模塊OTP
溫度保護是為了防止芯片異常高溫損壞,原理比較簡單,利用晶體管的溫度特性然后通過比較器設置保護點來關斷輸出。

4、過流保護模塊OCP
在譬如輸出短路的情況下,通過檢測輸出電流來反饋控制輸出管的狀態,可以關斷或者限流。如圖的電流采樣,利用晶體管的電流和面積成正比來采樣,一般采樣管Q2的面積會是輸出管面積的千分之一,然后通過電壓比較器來控制MOS管的驅動。

還有一些其他輔助模塊設計。
六、恒流源和電流鏡
在IC內部,如何來設置每一個晶體管的工作狀態,就是通過偏置電流,恒流源電路可以說是所有電路的基石,帶隙基準也是因此產生的,然后通過電流鏡來為每一個功能模塊提供電流,電流鏡就是通過晶體管的面積來設置需要的電流大小,類似鏡像。


七、小結
以上大概就是一顆DC/DC電源芯片LM2675的內部全部結構,也算是把以前的皮毛知識復習了一下。當然,這只是原理上的基本架構,具體設計時還要考慮非常多的參數特性,需要作大量的分析和仿真,而且必須要對半導體工藝參數有很深的理解,因為制造工藝決定了晶體管的很多參數和性能,一不小心出來的芯片就有缺陷甚至根本沒法應用。整個芯片設計也是一個比較復雜的系統工程,要求很好的理論知識和實踐經驗。最后,學而時習之,不亦說乎!






