【導讀】在現代工業過程控制系統中,傳統4-20mA變送器正經歷智能化、微型化變革。通過采用高度集成的系統級芯片(SoC)方案,新一代智能變送器將模擬前端(AFE)、高精度數據轉換、微處理器核心及HART?通信協議模塊融合于單一芯片。這種集成化設計不僅實現了傳感器信號的精準線性化、溫度漂移補償與實時診斷,更關鍵的是大幅縮減了設備體積與功耗,使高性能、帶數字通信能力的智能變送器得以部署于空間受限的現場儀表中,為工業物聯網(IIoT)邊緣層的數據采集提供了更優解決方案。
摘要
在現代工業過程控制系統中,傳統4-20mA變送器正經歷智能化、微型化變革。通過采用高度集成的系統級芯片(SoC)方案,新一代智能變送器將模擬前端(AFE)、高精度數據轉換、微處理器核心及HART?通信協議模塊融合于單一芯片。這種集成化設計不僅實現了傳感器信號的精準線性化、溫度漂移補償與實時診斷,更關鍵的是大幅縮減了設備體積與功耗,使高性能、帶數字通信能力的智能變送器得以部署于空間受限的現場儀表中,為工業物聯網(IIoT)邊緣層的數據采集提供了更優解決方案。
簡介
在工業過程監控應用中,4-20 mA電流環路是一種用于發送溫度和壓力等傳感器信息的常用技術。當信息必須長距離傳輸到遠程位置時,電流環路特別有用,因為信號對噪聲相對不敏感,并且可以從遠程供電電壓中獲取電力。本文將簡要介紹4-20 mA系統、其發展歷程和相關芯片組,該芯片組通過有效減少外部元件數量來縮小整體解決方案的尺寸并提高可靠性。
4-20 mA傳感器概述與發展歷程
在簡單的4-20 mA系統中(圖1),傳感器的輸出電壓先轉換為成比例的電流,其中4 mA表示傳感器的零電平輸出,20 mA表示滿量程輸出。遠端接收器將4-20 mA電流轉換回電壓,然后由計算機或顯示模塊進一步處理。

圖1.簡單的4-20 mA系統
為了滿足行業需求,工程師開發出了智能變送器(圖2)。該器件采用微處理器和數據轉換器,能夠對信號進行遠程調理。智能變送器可以對增益和偏移進行歸一化處理,通過將模擬信號轉換為數字信號對傳感器進行線性化,使用微控制器中的算術算法處理信號,將信號轉換回模擬信號,并將結果作為標準電流沿環路傳輸。

圖2.智能變送器
儀表經過校準并正常工作時,其輸出信號應保持在4 mA至20 mA之間,但有時候,過程條件會偏離正常運行條件。在這種情況下,符合標準的變送器最多可輸出20.5 mA。此輸出信號超出范圍,位于飽和區域。與此類似但較小的飽和區域位于測量范圍的底部。
智能測量器件可以檢測內部故障,例如傳感器或轉換器故障。發生這種情況時,符合標準的儀表的微處理器會將輸出信號設置為3.6 mA或21.0 mA,具體取決于用戶如何設置故障安全模式。
故障信息的信號電平(圖3)按照NAMUR NE43建議進行了標準化1。

圖3.NAMUR NE43建議
因此,為變送器電子元器件供電的電流限制在3.5 mA左右,為該應用選擇器件時必須認真考慮這一點。
另一項改進是添加了數字通信功能,它與4-20 mA信號共用雙絞線。這種組合讓控制和診斷信號可以隨傳感器數據一起傳輸。
通信標準是HART協議,它采用頻移鍵控(FSK),其中位1和位0分別由1200 Hz和2200 Hz的頻率表示。這些頻率的正弦波疊加在傳感器的直流模擬信號上,從而同時提供模擬和數字通信(圖4)。FSK信號的平均值始終為零,因此4-20 mA模擬信號不受影響。

圖4.同時進行模擬和數字通信
HART命令集(圖5)為所有現場設備統一提供一致的通信,其中包括三類命令:通用命令、常規命令和器件特定命令。所有采用HART協議的器件都必須能識別和支持通用命令,例如讀取主變量和單位。常規命令為通過許多器件實現的功能,例如校準、自檢和多變量讀取。器件特定命令代表每個現場器件所獨有的功能。

圖5.HART傳感器提供的信息示例
每個HART器件都有一個38位地址,由制造商ID碼、器件類型代碼和器件唯一標識符組成。
超低功耗4-20 mA傳感器變送器
MAX12900是一款包含10個構建模塊的集成變送器(圖6)。
從左邊開始,傳感器接收微控制器的數據,形成粗調(PWMAP)和精調(PWMBP)兩種PWM信號。這些信號經過緩沖和求和處理后,通過低通濾波器(OP1模塊)轉換為相應的電壓電平表示。在圖6的示例中,粗調增益設置為1 (R5/R3),而精調增益設置為1/66 (R5/R4)。OP3與精密基準電壓和外部MOSFET (Q1)結合,實現精密電壓控制電流源。在此應用示例中,第二個通用放大器(OP2)用于測量電流環路,并向微控制器提供反饋。兩個比較器用于監控電源電壓和內部LDO電壓。電源時序控制器確保系統正確啟動,并在LDO輸出達到最終值的90%時產生電源良好信號,其輸出值由分壓器設置。
集成AFE和HART調制解調器的超低功耗Arm Cortex-M4F
MAX32675C(圖7)是一款高集成度混合信號、超低功耗微控制器,適用于工業應用。它基于超低功耗Arm? Cortex?-M4,帶有浮點單元、一組豐富的數字外設和一個模擬前端(AFE)。
AFE集成了低功耗HART調制解調器、兩個12通道Σ-Δ模數轉換器(ADC)、可編程增益放大器(PGA)以及12位數模轉換器(DAC)。

圖6.集成變送器

圖7.高集成度混合信號微控制器
集成AFE
MAX32675C提供兩個Σ-Δ ADC,它們共享多路復用的12個模擬輸入,這些輸入可配置為差分或單端。每個ADC前面都有一個PGA,PGA具有8個可用增益,范圍為1到128。PGA輸出可由外部配置,支持外部濾波。有多個基準輸入可用,以提高靈活性。集成的50 ppm基準電壓可編程為1.024 V、1.5 V、2.048 V和2.5 V。傳感器可使用16級可編程電流源或固定電壓源(VDD/2)進行偏置(見圖8)。

圖8.集成AFE
ADC特性
ADC可以按需自動校準其內部失調和增益誤差以及系統失調和增益誤差,并將校準值存儲在專用寄存器中。PGA有8個獨立的增益校準寄存器。
自校準程序不包括外部影響,例如驅動輸入引腳的源信號,這些影響會改變系統的失調和增益。
系統校準通過向選定的輸入引腳提供零電平信號或滿量程信號,并啟動系統零電平或系統增益校準命令,來使能系統零電平和系統滿量程校準。
作為自動生成系統校準值的替代方案,可以將值直接寫入內部校準寄存器。
依據公式1,校準值會被應用于存儲在ADC_DATA寄存器中的轉換結果:

其中:
ADC_DATA是ADC數據結果目標寄存器。
Conversion是應用校準結果之前的ADC轉換結果。
ADC_SELF_GAIN [1:128]是所選增益的內部增益校正值。
ADC_SELF_OFF是內部失調校正值。ADC_SYS_GAIN是系統增益校正值。
ADC_SYS_OFF是系統失調校正值。
可配置數字濾波器支持選擇陷波頻率和數據速率。
同步50 Hz/60 Hz抑制有限脈沖響應(FIR)濾波器在16 SPS時提供對50 Hz和60 Hz遠超過90 dB的抑制,并顯著抑制其諧波。輸出速率更快時(40 SPS),50 Hz和60 Hz FIR濾波器設置針對這些頻率的衰減水平會降低。
sinc4設置支持四階SINC濾波器,該濾波器能夠以高達1989 SPS(24位精度)的連續數據速率運行,或以15360 SPS(16位精度)的連續數據速率運行。
時序控制器是一項強大的功能,可以將一系列命令編程到序列緩沖器寄存器中(圖9)。可以將序列的完成配置為產生中斷。
有8個寄存器用于存儲ADC轉換輸出,以供時序控制器使用。

圖9.時序控制器使用示例

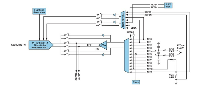
圖10.AFE配置為熱電偶測量
還有8個下限/上限比較閾值寄存器與這8個轉換寄存器相關聯。比較結果存儲在狀態寄存器中。
AFE配置為熱電偶
測量
AFE可以配置為利用熱電偶測量溫度(圖10)。熱電偶電壓利用精密基準電壓來測量,同時必須使用單獨的傳感器來測量冷端的溫度。這可以通過電阻溫度檢測器(RTD)之類的器件來測量。
對于熱電偶測量,根據所用的熱電偶類型將PGA增益設置為適當的值。K型熱電偶產生的最大電壓為54 mV,使用32倍的PGA增益可產生約1.7 V輸出。內部電壓發生器將熱電偶偏置至VDD/2 (AIN5)。
采用RTD進行冷端溫度測量時,電流源IDAC0設置為在AIN10上提供220 μA。電流將流過RTD和基準電阻RREF,在RREF上產生800 mV的電壓降,用作測量的基準電壓。由于流過RTD和RREF的電流相同,因此轉換數據將是RTD電阻與REF的比率。
HART調制解調器
該器件集成了1200 Hz/2200 Hz FSK信號的調制和解調功能。由于集成了信號處理功能,調制解調器(圖11)功耗非常低,只需要少量外部元件。輸入信號由ADC采樣,隨后由數字濾波器/解調器處理。調制器提供純凈的信號,頻率在1200 Hz到2200 Hz之間切換,且相位保持連續。SPI接口用于配置外設寄存器,通信則采用UART。

圖11.集成HART調制解調器

圖12.智能變送器實現
智能變送器實現
借助MAX12900和MAX32675C的組合,僅需少量外部元件就能設計智能變送器(圖12),從而縮小整體解決方案的尺寸。MAX32675C采用8 mm × 8 mm封裝,而MAX12900采用5 mm × 5 mm封裝。
結論
MAX12900和MAX32675C的組合能夠給4-20 mA智能變送器帶來三重好處,包括縮小系統尺寸;讓系統支持多種類型傳感器,提升靈活性;以及有效改善整體系統可靠性。多個基準輸入和雙ADC增加了系統冗余。比較器和備用運算放大器可以監控電源電壓和輸出電流等關鍵參數,從而簡化SIL實現。
參考文獻
1 NAMUR—User Association of Automation Technology in Process Industries。
推薦閱讀:
控制信號的“蒲公英”:中間繼電器如何實現安全的多路分發與隔離






