中心議題:
- 手指電容
- 傳感器的PCB布局
- 電容式傳感系統
- 調整傳感器
- 電容式傳感系統性能測量
觸摸傳感器已經被廣泛使用很多年了。但近期混合信號可編程器件的發展,讓電容式觸摸傳感器已成為各種消費電子產品中機械式開關的一種實用、增值型替代方案。
典型的電容式傳感器覆蓋層的厚度為3mm或更薄。隨著覆蓋層厚度的增加,手指觸摸的傳感將變得越來越困難。換句話說,伴隨著覆蓋層厚度的增加,系統調整過程將必須從科學向藝術發展。為了說明如何制作一個能夠提升目前技術極限的電容式傳感器,本文所述的實例中選用玻璃覆蓋層的厚度為10mm。玻璃使用簡單,隨處可見,而且是透明的,所以你可以看到下面的感應墊。玻璃覆蓋層還可直接應用于白色家電。
手指電容
任何電容式觸摸傳感系統的核心都是一組與電場相互作用的導體。人體皮膚下面的組織中充滿了傳導電解質---這是一種有損電介質。正是手指的這種導電特性使得電容式觸摸傳感成為可能。
簡單的平行板電容器有兩個導體,這兩個導體之間隔著一層電介質。該系統中的大部分能量直接聚集在電容器極板之間。少許能量會泄露到電容器極板以外的空間,而由這些泄露能量所形成的電場叫做邊緣場。制作實用電容式傳感器的部分難題在于需要設計一套印刷電路板軌線,來將邊緣場引導到用戶易接近的有效感應區域中。平行板電容器不是這種傳感器模式的理想選擇。
當把手指放在邊緣電場的附近時,電容式傳感系統的導電表面積會增加。由手指所產生的額外電荷存儲容量,就是我們所知的手指電容CF。在本文中,無手指觸摸時的傳感器電容用CP來表示,意指寄生電容。
關于電容式傳感器人們常有這樣的誤解:為了使系統正常工作,手指必須接地。實際上,手指之所以被傳感是因為它帶有電荷,而與其是否懸空或接地完全無關。
傳感器的PCB布局
圖1顯示了一塊PCB的頂視圖,該PCB應用了本設計案例中的一個電容式傳感器按鍵。

圖1:PCB頂視圖。
這個按鍵的直徑為10mm,相當于一個成人指尖的平均尺寸。為該演示電路而組裝的PCB帶有4個按鍵,其中心相隔20mm。如圖1中所示,接地平面也位于頂層。金屬感應墊和接地平面之間設置了一個均勻的隔離間隙。該間隙的尺寸是一個重要的設計參數。如果間隙設置得過小,則過多的電場能量將直接傳遞至地。而如果間隙設置得過大,則將無法控制能量穿越覆蓋層的方式。將間隙尺寸選為0.5mm,可以很好地使邊緣場透過10mm厚的玻璃覆蓋層。
圖2展示了同一種傳感器模式的截面圖。

圖2:傳感器的PCB和覆蓋層截面圖。
如圖所示,PCB上的一個過孔將金屬感應墊與電路板底面上的印制導線相連。當電場試圖找到最短的接地路徑時,介電常數εr將影響進入材料中的電場能量的密度。標準玻璃窗的εr約為8,PCB的FR4材料的εr約為4,而白色家電中常用的耐熱玻璃的εr大約為5。本設計案例中采用的是標準的窗玻璃。需要注意的是,在PCB上貼有玻璃紙,即3M公司的468-MP絕緣膠膜。
[page]
電容式傳感系統
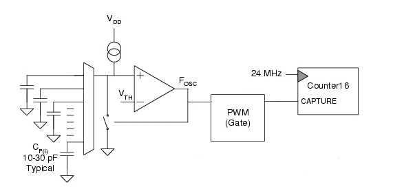
該電容式傳感系統的基本元件包括:一個可編程電流源、一個精密模擬比較器和一根用來按順序傳輸一組電容式傳感器信號的多路復用總線。在本文所討論的系統中,一個弛張振蕩器起著電容傳感器的作用。該振蕩器的簡化電路示意圖如圖3所示。

圖3:電容式傳感弛張振蕩器電路。
比較器的輸出被送進脈沖寬度調制器(PWM)的時鐘輸入電路,這個PWM對一個時鐘頻率為24MHz的16位計數器進行門控。傳感器上面的手指使電容增大,進而導致計數值增加。手指的存在就是基于這一原理來檢測到的。圖4展示了該系統的典型波形。

圖4:電容式傳感弛張振蕩器電路的波形。
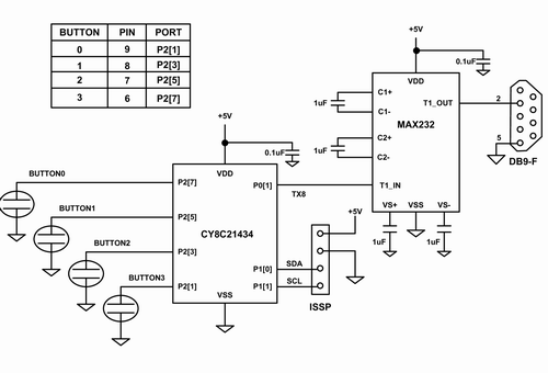
該設備的實現原理圖如圖5所示。

圖5:電容式傳感電路原理圖。
為了實現電容式傳感和串行通信,該電路采用了賽普拉斯的CY8C21x34系列中的PSoC IC芯片。該芯片包含一組模擬和數字功能塊,這些功能塊可由存儲于板上閃存中的固件來配置。另一顆芯片負責處理RS232的電平移位,以便建立到主機的通信鏈接,并實現波特率為115,200的電容式傳感數據記錄。四個電容傳感按鍵的引腳分配在圖5的表中給出。PSoC是通過一個包含電源、地以及編程引腳SCL和SDA的ISSP接頭來實現編程的。而通過一個DB9連接器將電腦與電容式傳感電路板相連。
[page]
調整傳感器
每次調用上列程序中的調用函數CSR_1_Start()時,均對Button1的電容進行測量。原始計數值被存儲于CSR_1_iaSwResult[ ]陣列中。用戶模塊還跟蹤一個用于原始計數的基線。每個按鍵的基線值均為一個由軟件中的IIR濾波器進行周期性計算的平均原始計數值。IIR濾波器的更新速率是可編程的。基線使得系統能夠適應于由于溫度和其它環境影響而引起的系統中的漂移。開關差分陣列CSR_1_iaSwDiff[ ]包含消除了基線偏移的原始計數值。利用開關差值來決定按鍵目前的開/關狀態。這可使系統的性能保持恒定,即便在基線有可能隨著時間的推移而發生漂移的情況下也是如此。圖6顯示了固件中實現的差分計數與按鍵狀態之間的轉移函數。

圖6:差分計數與按鍵狀態之間的轉移函數。
該轉移函數中的延滯帶來了開關狀態之間的快速轉換,即使計數是有噪聲的情況下也不例外。同時這還給按鍵帶來了一種反跳功能。低門限被稱為“噪聲門限”,而高門限則被稱為“手指門限”。門限水平的設定決定了系統的性能。當覆蓋層非常厚時,信噪比很低。在此類系統中設定門限水平是一項具有挑戰性的工作,而這恰好是電容式傳感設計技巧的一部分。
圖7展示了一個持續時間為3秒的按鍵觸壓操作的理想原始計數波形。

圖7:將門限水平繪制在一個去除了基線的原始計數圖上。
噪聲門限被設定的計數值為10,而手指門限設定的計數值則為60。實際上,在實際計數數據中噪聲分量是始終存在,圖中沒有顯示是為了能清晰地顯示門限水平。
部分調整過程還包括選擇電流源DAC的電平以及設置用于計數累加的振蕩器周期數。在固件中,函數CSR_1_SetDacCurrent(200, 0)把電流源設定在其低電流范圍內,數值為200(最高255),大約對應于14μA。函數CSR_1_SetScanSpeed(255)把振蕩器周期數設定為253(255-2)。原始計數和差分計數的分析表明:該系統的寄生引線電容CP約為15pF而手指電容CF約為0.5pF。可見,手指電容使總電容產生了約3%的變化。對于每個按鍵,每個原始計數值的采集所需要的時間僅為500μs。
[page]
測量性能
電容式傳感系統的性能測量結果示于圖8中。

通過一個終端仿真程序,在主PC上獲得差分計數,然后借助電子制表軟件加以繪制。將手指放置在10mm厚的玻璃覆蓋層上,并持續3秒的時間。按鍵的開關狀態被疊加在原始計數上。按鍵在這兩種狀態之間干凈利落地轉換,即使是由于通過厚玻璃進行檢測而使原始計數信號中具有較大的噪聲時也是如此。請注意手指和按鍵門限隨著基線的漂移而進行周期性調整。當檢測到手指的觸壓動作時,基線值將鎖定,直到手指移開為止。
圖9顯示了兩種狀態轉換處的局部細節圖。

在圖9a中,按鍵初始狀態為斷(OFF)狀態。超過手指門限的差分計數的第一個采樣把按鍵狀態轉換至通(ON)狀態。在圖9b中,低于噪聲門限的差分計數的第一個采樣將按鍵轉換至斷狀態。
與機械式開關相比,基于電容的觸摸傳感器的主要優點是耐用性好,不易損壞,可以長期使用。混合信號技術的近期發展,不僅使得觸摸式傳感器的成本在各種消費類產品中降到了具有成本效益的水平,而且還提高了檢測電路的靈敏度和可靠性(因為增加了覆蓋層的厚度和耐用性)。利用本文介紹的設計方法,說明通過一個 10mm的玻璃來檢測手指的按鍵觸壓是可能的,并利用基于噪聲門限和手指門限的反跳法,實現了按鍵開關狀態之間的干凈利落的轉換,從而使電容式觸摸傳感器成為機械式開關元件的一種實用型替代方案。



