【導讀】現有的IGBT技術水平上如何能夠使其發揮最大功能,這是主要而又關鍵的問題。本文以eupec公司型號為FF450R17ME3的IGBT為例進行說明,重點突出其高集成度、高可靠性、高效率等優點。
1、引言
IGBT(Insulated Gate Bipolar Transistor),絕緣柵雙極型功率管,是由BJT(雙極型三極管)和MOS(絕緣柵型場效應管)組成的復合全控型電壓驅動式電力電子器件, 兼有MOSFET的高輸入阻抗和GTR的低導通壓降兩方面的優點。GTR飽和壓降低,載流密度大,但驅動電流較大;MOSFET驅動功率很小,開關速度快,但導通壓降大,載流密度小。IGBT綜合了以上兩種器件的優點,驅動功率小而飽和壓降低,從而成為當今電力電子行業的首選器件。
電力電子器件的發展水平在很大程度上決定了電力電子產品的發展水平,而目前電力電子器件受電壓、電流水平的限制成為電力電子及電氣傳動行業發展的瓶頸,而 IGBT則是其中一例。在現有的IGBT技術水平上如何能夠使其發揮最大功能,這是主要而又關鍵的問題,除了合理的軟件控制方法外,無疑IGBT的驅動保護電路是又一重要環節。目前,IGBT的控制保護電路很多,但在集成度,可靠性等方面還不夠完善,本文就此在介紹IGBT基本性能的基礎上介紹一種基于 CONCEPT公司的2SD315模塊的IGBT驅動保護電路。
2、IGBT特性及驅動設計
本文以eupec公司型號為FF450R17ME3的IGBT為例進行說明。通過查找其技術手冊可得:在其節溫為125℃,器件集電極與發射級間壓降為 UCE=900V,門極驅動電壓UGE=±15V,IC=450A,限流電阻RG=3.3Ω時Tdon=100ns,Tdoff=1000ns。但在門極電阻RG不同時,其開關速度也是不同的,當RG小時,其與門極電容的時間常數短,使IGBT深度飽和導通的時間短,反之則長。而IGBT得開關速度直接影響系統效率,但是考慮到di/dt與du/dt對IGBT本身的副作用,又不能使限流電阻過小。一般限流電阻的選擇可參照以下公式:[1]~[2]

式中 UCN、ICN分別為IGBT額定電壓、額定電流。
圖1為FF450R17ME3管壓降與電流關系曲線,由圖可見當加在門極驅動電壓小于12V時,開通曲線電流上升到一定值時,其管壓降急劇上升,雖然在 12V時可以使IGBT開通,但期間開通損耗比較大。在8V、9V、10V時,電流達到一定值,管壓降呈直線上升,期間通電流能力已經達到極限。由此綜合考慮門極驅動電壓應大于12V,在工程實際當中一般選擇15V,考慮有較快的關斷速度,提高抗干擾能力等方面,應加-10~-15V的反偏電壓。驅動電路除考慮以上問題外,還需考慮驅動信號的隔離,驅動電源的隔離,控制部分與主回路部分的隔離。以及各開關信號之間有無互鎖和死區控制等。
圖1 FF450R17ME3管壓降與電流關系曲線
3、IGBT 保護電路
IGBT損壞的原因一般有過流、過壓、過熱3個方面。過壓又分集電極發射極過壓,門極發射極過壓。在過流保護方面.很多生產廠家的技術資料表明:IGBT 短時間最大可承受兩倍的額定電流.但是經常承受過電流會使器件過早老化。從圖3可以發現。如門極驅動信號的幅值為15V,當IGBT通過450A的額定電流時,管壓降大約為2.4V。根據這一特性,可以設計出IGBT過流保護電路。

圖2 2SD315典型保護電路
如圖2所示為2SD315典型的保護電路,按照該電路的結構,對參數的配置予以計算。由圖可見,當IGBT關斷時,VT1導通比較器同相端為0,此時 150μA電流經過Rth在比較器反相端形成一個基準電位,此時比較器輸出為低電平。當IGBT開通時,VT1關斷,此時基準電位依然存在,1.4mA電流經過電容Ca延時后經過電阻Rm、VDM1、VDM2、IGBT后進入參考地。因而在比較器的同相端形成一個點位,其幅值由電阻Rm壓降URm,二極管 VDM1、VDM2壓降UD以及IGBT壓降UCE共同決定,而URm、UD為確定值,所以在比較器同相端的電位就決定于UCE。
由圖1可知在某一確定型號的IGBT,通態條件下其兩端電壓與通過的電流有一定的曲線關系。流過IGBT的電流增大,IGBT兩端電壓UCE也隨之增大,當UCE增大到使比較器同相端電位高于反相端電位時,比較器輸出翻轉,從而封鎖IGBT驅動脈沖。電路參數可按如下計算:
由于IGBT可以短時承受兩倍額定電流,所以在實際應用中可以適當選取。在IGBT導通的瞬間,IGBT兩端電壓UCE不會立刻進入穩態,而是由一個短時的過渡過程,在這個階段IGBT保護電路會發出錯誤的檢測信號。當加電容Ca延時后,IGBT保護電路就能夠躲過這一過渡過程,實現正確的保護功能。而且此電容還能夠在一定程度上濾掉UCE上的外界干擾信號,減少了保護誤動的發生率。Ca的參數計算如下:
4、2SD315AI-33簡介及應用

圖3 2SD315AI-33外形圖
4.1 2SD315AI-33是瑞士CONCEPT公司專為3300V高壓IGBT的可靠工作和安全運行而設計的驅動模塊,它以專用芯片組為基礎、外加必需的其它元件組成。該模塊采用脈沖變壓器隔離方式,能同時驅動兩個IGBT模塊,可提供±15V的驅動電壓和±15A的峰值電流,具有準確可靠的驅動功能與靈活可調的過流保護功能,同時可對電源電壓進行欠壓檢測,工作頻率可達兆赫茲以上,電氣隔離可達到6000VAC。
圖4 2SD315AI-33功能框圖
圖3為2SD315AI-33外形尺寸圖,圖4為2SD315AI-33功能框圖,它主要由DC/DC轉換電路、輸入處理電路、驅動輸出及邏輯保護電路組成。DC /D C 轉換電路的功能是將輸人部分與工作部分進行隔離。而其輸入處理電路由LDIO01及其外圍電路組成。由于控制電路產生的PWM信號不能直接通過脈沖變壓器,尤其是當脈沖信號的頻率和占空比變化較大時,尤為困難。LDI001就是專門為此而設計的,此專用集成芯片的功能主要是對輸人的PWM信號進行編碼,以使之可通過脈沖變壓器進行傳輸。由于該器件內部帶有施密特觸發器,因此對輸人端信號無特殊的邊沿陡度要求,并能提供準靜態的狀態信號反饋。將其設計為集電極開路方式,可以適應任何電平邏輯,并可直接產生死區時間。以上優點使得接口既易用又靈活,從而省去了其它專用電路所必需的許多外圍器件。驅動 輸 出及邏輯保護電路的核心芯片是IGDOOI。它將變壓器接口、過流短路保護、阻斷邏輯生成、反饋狀態記錄、供電監視和輸出階段識別等功能都已集成在一起。每個IGD用于一個通道,其具體功能是對脈沖變壓器傳來的PWM信號進行解碼,對PWM信號進行功率放大,對IGBT的短路、過流及電源的欠壓檢測保護,并向LDI反饋狀態,以產生短路保護的響應時間和阻斷時間等。
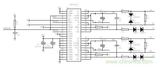
4.2 實際應用電路如圖5所示:
圖5 2SD315AI-33實際應用電路
4.3 實驗波形
圖6為用本文的方法設計的驅動電路應用在三電平變頻器中的門極驅動信號波形。
5 總結
對于正確使用IGBT,除了添加必要的吸收電路外,設計好一套良好的驅動保護電路是尤為關鍵的。在設計驅動保護電路之前,必須仔細研究開關器件的關鍵外部特性,這對于正確設計驅動保護電路是至關重要的。本文就是在分析器件的IGBT過渡過程等特性的基礎上設計的一套驅動保護電路,借助于2SD315AI- 33模塊的高集成性、高可靠性,從而使整體電路達到一個高的使用性能。