【導讀】接近電源。這是提高電源軌的電壓精度、效率和動態響應的最佳方法之一。負載點轉換器是一種電源DC-DC轉換器,放置在盡可能靠近負載的位置,以接近電源。因POL轉換器受益的應用包括高性能CPU、SoC和FPGA——它們對功率級的要求都越來越高。例如,在汽車應用中,高級駕駛員輔助系統(ADAS)——例如雷達、激光雷達和視覺系統——中使用的傳感器數量在穩步倍增,導致需要更快的數據處理(更多功耗)以最小的延遲檢測和跟蹤周圍的物體。
問題:
為什么使用DC-DC轉換器應盡可能靠近負載的負載點(POL)電源?
答案:
效率和精度是兩大優勢,但實現POL轉換需要特別注意穩壓器設計。
接近電源。這是提高電源軌的電壓精度、效率和動態響應的最佳方法之一。負載點轉換器是一種電源DC-DC轉換器,放置在盡可能靠近負載的位置,以接近電源。因POL轉換器受益的應用包括高性能CPU、SoC和FPGA——它們對功率級的要求都越來越高。例如,在汽車應用中,高級駕駛員輔助系統(ADAS)——例如雷達、激光雷達和視覺系統——中使用的傳感器數量在穩步倍增,導致需要更快的數據處理(更多功耗)以最小的延遲檢測和跟蹤周圍的物體。
在這些數字系統中,有很多都使用高電流和低電壓,因此更需要盡可能縮短電源和負載之間的距離。高電流導致的一個明顯問題是,從轉換器到負載,線路產生的電壓會不斷下降。圖1和圖2顯示了電源和負載之間引線電阻的最小化如何使轉換器的輸出電壓降最小化——本例中是控制器IC和為CPU供電的MOSFET。

圖1.PCB走線較窄情況下的DC-DC輸出電壓降

圖2.PCB走線較寬情況下的DC-DC輸出電壓降
圖2所示的較寬PCB走線減小了壓降以達到精度要求,但還必須考慮寄生電感。圖2中的PCB走線長度估計有約14.1 nh的電感,如圖3的LTspice®模型所示。

圖3.PCB走線電感的LTspice模型
電感會抑制電流的動態變化di/dt,當負載變化時,經過該寄生電感的電流受其時間常數限制,瞬態響應劣化。寄生電感導致的結果是電壓下降,如圖4中的仿真圖所示。


圖4.DC-DC輸出電壓突降和瞬態電流
將轉換器放在負載附近可使PCB電阻和寄生電感的影響最小。DC-DC轉換器IC應放置在最靠近CPU的位置。注意,圖1和圖2顯示了傳統高電流電源(即開關模式控制器和外部FET)的原理圖。控制器FET解決方案可以處理上述應用所需的高電流負載。控制器解決方案的問題是外部FET有空間要求,因而可能難以獲得真正的POL穩壓器解決方案,如圖5的示例布局所示。

圖5.DC-DC轉換器與CPU的理想布局
控制器的一個替代方案是單芯片解決方案,其中FET在轉換器IC內部。例如, LTC3310S 單片降壓調節器(IC尺寸為3 mm×3 mm)可實現負載點解決方案,單個IC最多可提供10 A電流,并聯多個IC可提供20 A電流。這些IC分別如圖6和圖12所示。

圖6.LTC3310S降壓調節器

圖7.小尺寸LTC3310S支持POL布局
除了小封裝尺寸外,LTC3310S還支持最大5 MHz的開關頻率——高頻工作可減小必要的輸出電容和整體解決方案PCB尺寸。圖8顯示了LTC3310S的負載瞬態性能,其中8 A負載變化導致的輸出電壓偏移小于±40 mV,此性能的實現只需要110μF輸出電容。

圖8.LTC3310S的瞬態響應
盡管使用高功率單片POL轉換器具有明顯的優點,但有一個因素可能是攪局者:熱量。如果轉換器產生的熱量過多,則它將無法用于已然很熱的系統中。
在上述解決方案中,LTC3310S內部溫度升幅通過高效率操作而得以最小化,即使在CPU、SoC和FPGA等高功耗器件周圍的惡劣溫度條件下,它也能夠可靠地運行。此外,LTC3310S內置精密溫度傳感器,支持通過SSTT引腳測量內部結溫,如圖10所示,相應的溫度傳感器特性如圖11所示。

圖9.LTC3310S的熱攝像頭圖像

圖10.LTC3310S溫度檢測引腳

圖11.軟啟動和溫度監控操作
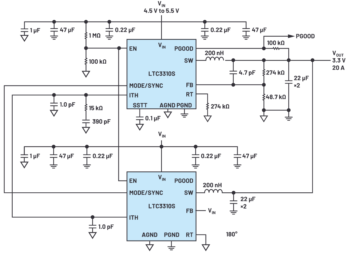
某些單片穩壓器可通過多相并聯操作擴展到更高負載應用。圖12顯示了多個LTC3310S器件并聯并錯相工作,使得電流能力加倍。
控制器的時鐘由RT引腳上的單個電阻設置,子節點的相對相位通過RT引腳上的電阻分壓器編程。在圖12所示的情況中,RT接地,將子節點設置為相對于控制器相移180°。
圖12.20 A雙相單片穩壓器POL解決方案
圖13顯示了2通道轉換器的電感電流和輸出紋波電流,如圖12所示。同相性能與雙反相性能進行比較。反相操作將輸出紋波電流(通過抵消)從14 A峰峰值(單相)降低到6 A峰峰值(雙相),而無需額外的外部濾波器。

圖13.比較兩個版本的雙通道轉換器的電感電流和輸出電流:(a) 同相通道與 (b) 反相通道
結論
總之,LTC3310S是一款高效且小型的POL解決方案,適用于為高耗電CPU、SoC、FPGA供電的高電流電源系統。其尺寸很小,并可優化功率效率,導致自發熱很低,因而其可以非常靠近負載。它可以輕松并聯,在多相解決方案中使用多個LTC3310S可提高功率。
免責聲明:本文為轉載文章,轉載此文目的在于傳遞更多信息,版權歸原作者所有。本文所用視頻、圖片、文字如涉及作品版權問題,請聯系小編進行處理。
推薦閱讀:


