【導讀】本次實驗旨在研究使用增強模式NMOS晶體管的簡單差分放大器。2021年6月學子專區文章 中提出的關于硬件限制問題的說明對本次實驗也是有效的。通過提高信號電平,然后在波形發生器輸出和電路輸入之間放置衰減器和濾波器(參見圖1),可以改善信噪比。本次實驗需要如下材料:
● 兩個100 Ω電阻
● 兩個1 kΩ電阻
● 兩個0.1 μF電容(標記為104)

圖1.11:1衰減器/濾波器
本次實驗的所有部分都會使用該衰減器和濾波器。
材料
● ADALM2000 主動學習模塊
● 無焊面包板
● 跳線
● 兩個10 kΩ電阻
● 一個15 kΩ電阻(將10 kΩ和4.7 kΩ電阻串聯)
● 兩個小信號NMOS晶體管(CD4007或ZVN2110A)
說明
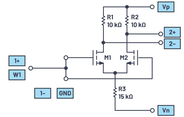
實驗室硬件的連接如圖2所示。M1和M2應從可用的且Vth匹配最佳的器件中選擇。M1和M2的源極與R3的一端共享一個連接。R3的另一端連接到Vn (-5V),提供尾電流。M1的基極連接到第一個任意波形發生器的輸出,M2的基極連接到第二個任意波形發生器的輸出。兩個集電極負載電阻R1和R2分別連接在M1和M2的集電極與正電源Vp (+5 V)之間。差分示波器輸入2+/2-用于測量兩個10 kΩ負載電阻上的差分輸出。

圖2.帶尾電阻的NMOS差分對

圖3.NMOS差分對面包板
硬件設置
第一個波形發生器配置為200 Hz三角波,峰峰值幅度為4 V,偏移為0 V。第二個波形發生器也應配置為200 Hz三角波,峰峰值幅度為4 V,偏移為0 V,但相位為180°。示波器的通道1應與1+連接到第一個波形發生器W1的輸出,與1-連接到W2的輸出。通道2應連接到標注2+和2-處,并設置為每格1 V。
程序步驟
獲取如下數據:x軸是任意波形發生器的輸出,y軸是使用2+和2-輸入的示波器通道2。通過改變R3的值,同學們可以探索尾電流電平對電路增益的影響(觀察通過原點的直線的斜率)和對線性輸入范圍的影響,以及當電路飽和時,觀察增益非線性下降的形狀。

圖4.NMOS差分對XY圖
電流源用作尾電流
使用簡單電阻作為尾電流具有局限性。同學們可以探索構建電流源來偏置差分對的方法。這可以由幾個額外的晶體管和電阻構成,如 之前的ADALM2000實驗"穩定電流源"所示。
附加材料
兩個小信號NMOS晶體管(M3和M4采用CD4007或ZVN2110A)

圖5.帶尾電流源的差分對
硬件設置
第一個波形發生器配置為200 Hz三角波,峰峰值幅度為4 V,偏移為0 V。第二個波形發生器也應配置為200 Hz三角波,峰峰值幅度為4 V,偏移為0 V,但相位為180°。電阻分壓器將Q1和Q2的基極處的信號幅度降低到略小于200 mV。示波器的通道1應與1+連接到第一個波形發生器W1的輸出,與1-連接到W2的輸出。通道2應連接到標注2+和2-的位置,并設置為每格1 V。

圖6.帶尾電流源的差分對面包板電路
程序步驟
配置示波器以捕獲所測量的兩個信號的多個周期。XY圖示例如圖7所示。

圖7.帶尾電流源的差分對XY圖
測量共模增益
共模抑制(CMR)是差分放大器的一個關鍵方面。CMR可以通過將兩個晶體管M1和M2的基極連接到同一輸入源來測量。圖10顯示了當W1的共模電壓從+3 V掃描至-3 V時,電阻偏置差分對和電流源偏置差分對的差分輸出。當柵極上的正電壓接近漏極電壓,晶體管從飽和區進入三極管(阻性)區域時,增益受到的影響最大。這可以通過觀察相對于地為單端(即將2-輸入接地)的漏極電壓來監測。應調整發生器的幅度,直到輸出端信號就要開始削波/折疊。

圖8.測量共模增益
硬件設置
波形發生器配置為100 Hz正弦波,峰峰值幅度為6 V,偏移為0 V。示波器的通道1應與1+連接到第一個波形發生器W1的輸出,與1-連接到地。通道2應連接到標注2+和2-的位置,并設置為每格1 V。

圖9.共模增益面包板電路
程序步驟
配置示波器以捕獲所測量的兩個信號的多個周期。使用LTspice®的波形示例如圖10所示。

圖10.共模增益波形
問題:
如果將晶體管M1的基極視為輸入,圖8中的晶體管放大器對于輸出2+和2-而言是反相還是同相?解釋您的答案。
說明當輸入電壓(W1)增大或減小時,每個輸出電壓(2+和2-)會發生什么。
您可以在 學子專區 博客上找到問題答案。
免責聲明:本文為轉載文章,轉載此文目的在于傳遞更多信息,版權歸原作者所有。本文所用視頻、圖片、文字如涉及作品版權問題,請聯系小編進行處理。
推薦閱讀:




