中心議題:
- 心電檢測電路的應用
- 隔離型DC/DC電源模塊的選用
- 使用DC/DC電源模塊應注意的問題
本文主要介紹了DC/DC模塊電源在醫療電子行業中,特別是傳感器檢測電路中的特點、應用及選用的DC/DC模塊電源應注意的事項,目前市場上DC/DC模塊電源很多,但是由于醫療電子屬于特殊行業,對其電源的要求非常高,為保證人體及設備的安全性能,選擇的DC/DC模塊電源尤為重要。
一、引言
目前,隨著現代醫療器械的不斷發展,特別是直接與人體相連接的電子儀器,除了對儀器本身性能的要求越來越高之外,對人體安全方面的考慮也越來越倍受關注,例如生命監護儀、母嬰監護儀、嬰兒保溫儀等等一些與人體緊密接觸的儀器,也就是說病人在使用儀器時不能因為使用的儀器而對人體造成有觸電或其他方面的危險。
二、心電檢測電路的應用
以下以普通型的心電檢測電路為例做一簡單介紹,如圖1:

圖1:普通型心電檢測電路。
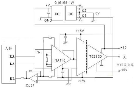
圖1是INA115在心電檢測電路中的實用電路。放大器的正負輸入通過心電傳感器分別接到人體的左臂(LA)與右臂(RA)上,與運放N和電阻R1~R4組成的驅動網絡接到人體的右腿(RL)上,構成“浮地”。由于生物信號很弱,加之有極化電位,所以該級的放大倍數不宜太高,一般取在10~100之間,并且只能作為前置放大用,為了檢測安全,后級一般應再采用隔離放大電路進行隔離,且該級的電源電壓最好應采用隔離電源模塊進行提供,以達到電源及信號的完全隔離。如圖2所示,

圖2:隔離型心電檢測前置放大電路。
以上電路是由漢為公司的T6235D與INA 115等組成的隔離型心電檢測前置放大電路,該電路由于其具有輸入阻抗高、漏電流小、檢測精度高和滿足人體安全等指標完全可以達到醫療器械使用的要求標準。該電路一般作為前置放大電路,器件直接與人體接觸,并拾取心電信號后通過INA115進行放大,最后由ISO122隔離傳輸到后置放大電路,實現人體信號與輸出及電源的隔離放大。
放大器的工作電源應用選擇有足夠的安全爬電距離,較高的隔離電壓特性以及極低的隔離電容值,使到系統的安全性能得到較好的保障,此處推薦采用金升陽公司6000VDC隔離G系列(定壓輸入,隔離6000VDC正負電壓輸出)或H系列產品(定壓輸入,隔離6000VDC單路電壓輸出),該系列產品由于其極高的隔離電壓特性(6000VDC)且其具有極低的隔離電容值(≤10pF)被廣泛地應用于醫療電子器械行業中。采用G1515S-1W使得INA115與人體相接觸的地線與輸入電源線真正意義上斷開了,達到完全隔離的效果,即電源與信號的完全隔離。
[page]
三、隔離型DC/DC電源模塊的選用

圖3:方案。
說明:以上方案是以隔離放大器的工作電壓為±15V的條件下作出的,如其工作電壓為±5V、±12或其他電壓只要選擇相應輸出電壓的產品即可。
四、使用DC/DC電源模塊應注意的問題
使用DC/DC電源模塊的過程中應注意以下幾個問題:
1、 DC/DC電源模塊的外接電容C2、C3采用低內阻的鉭電容,容值推薦0.47uF,應避免容值過大,以防止由于電容過大造成啟動瞬間過流而損壞模塊;
2、 為保證模塊長期工作的可靠性應使到模塊工作在10%額定功率以上,以防止模塊由于空載或輕載導致輸出電壓不穩而影響電路工作,如果負載功耗確實較小,可以采和外接假負載的方式在輸出端的+Vo與0V及-Vo與0V之間并上一10%額定功率的假負載(電阻),以提高產品的可靠性。
3、 由于DC/DC電源模塊是采用開關振蕩電路來實現的,其自身也會產生共模、差模噪聲的干擾,對于對紋波噪聲要求較高的場合可在DC/DC電源模塊的輸出端外接無源LC濾波網絡或RC(損耗較大),以進一步降低電源紋波噪聲,但是要注意L自身諧振頻率要遠高于模塊的開關頻率,允許通過的電流值最好在模塊輸入電流的兩倍以上,內阻要小,以降低直流損耗。具體可參考下圖:





